EasyManua.ls Logo

RIDGID GP90150A - Page 4

RIDGID GP90150A
5 pages
Print Icon
To Next Page IconTo Next Page
To Next Page IconTo Next Page
To Previous Page IconTo Previous Page
To Previous Page IconTo Previous Page
Loading...
22
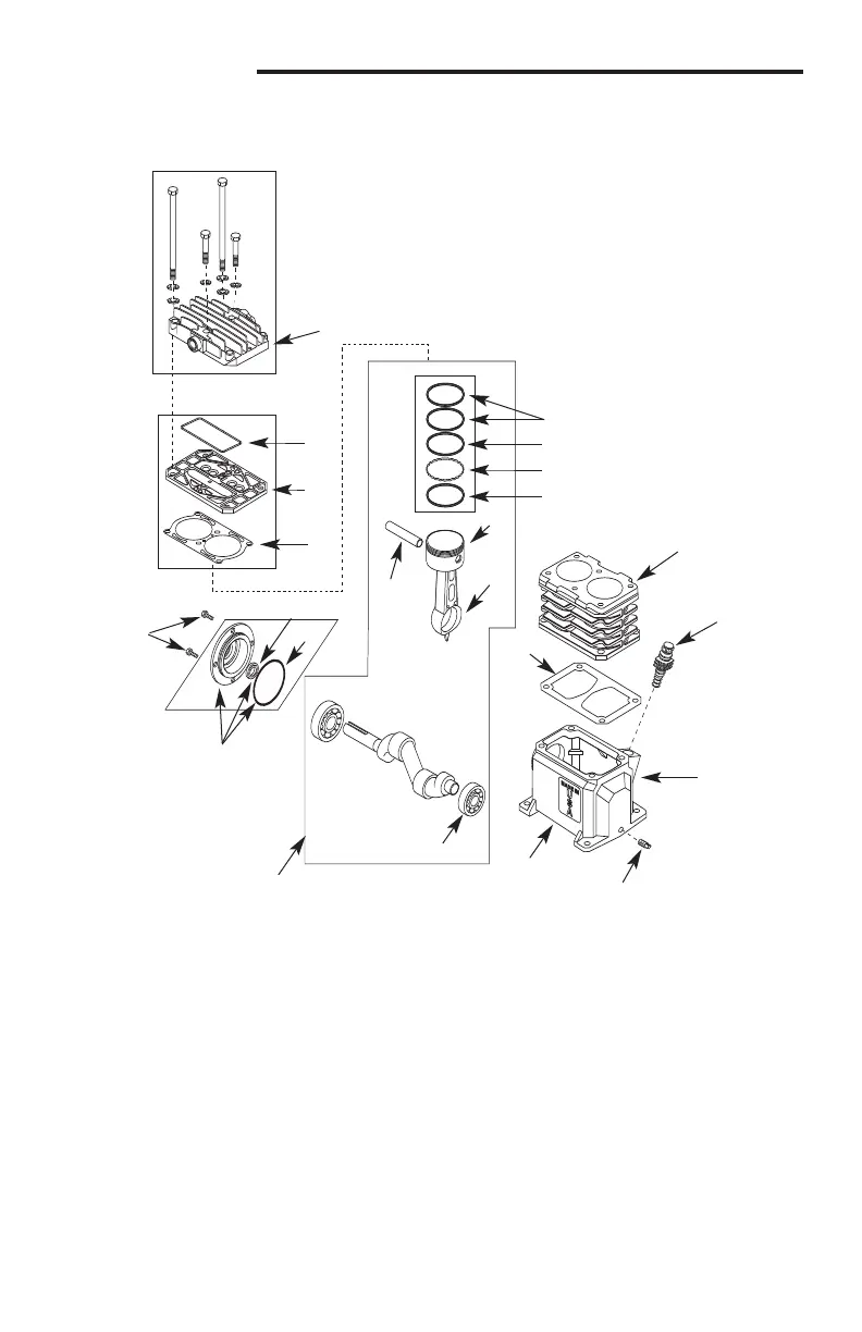
Repair Parts
1
2
3
4
5
6
8
9
10
11
12
13
14
15
16
17
18
19
20
21
11
7
22

Related product manuals