EasyManua.ls Logo

Rievtech ELC Series - Page 49

Rievtech ELC Series
355 pages
Print Icon
To Next Page IconTo Next Page
To Next Page IconTo Next Page
To Previous Page IconTo Previous Page
To Previous Page IconTo Previous Page
Loading...
EN
Programmable Relay User Manual for ELC, EXM and PR Series 49 2020 v6.0 © Rievtech Co.,
Ltd. www.rievtech.com
NOTICE:
The analogue inputs require DC 0V ~ +10V
voltage signals. These are divided equally into 0.01 VDC
increments. In programming, all the block parameters
related to the analogue inputs are based on the
minimum increment of 0.01 VDC.
NOTICE:
If the input voltage is greater than 10 VDC, they
will NOT be recognised as analogue inputs.
NOTICE:
The time taken for a change of digital state, 0 to
1 or 1 to 0, must be greater than 50ms.
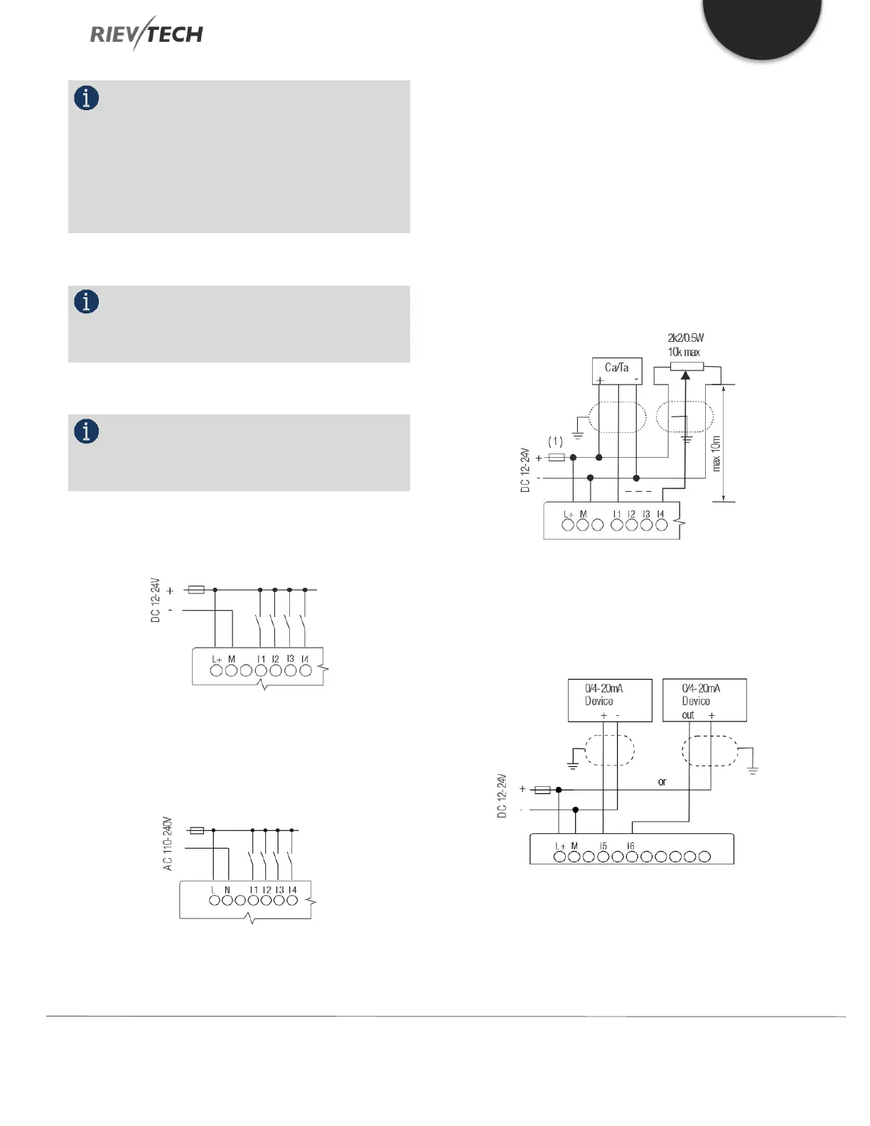
4.4.3. DC Type Digital Input Connections
Figure 18 DC Inputs
4.4.4. AC Type Digital Input Connections
Figure 19 AC Inputs
4.4.5. Analogue Input Connections (0 to 10
VDC)
Figure 20 Analogue Voltage Inputs
4.4.6. Analogue Input Connections (0 to 20
mA)
Figure 21 Analogue Current Inputs

Related product manuals