EasyManua.ls Logo

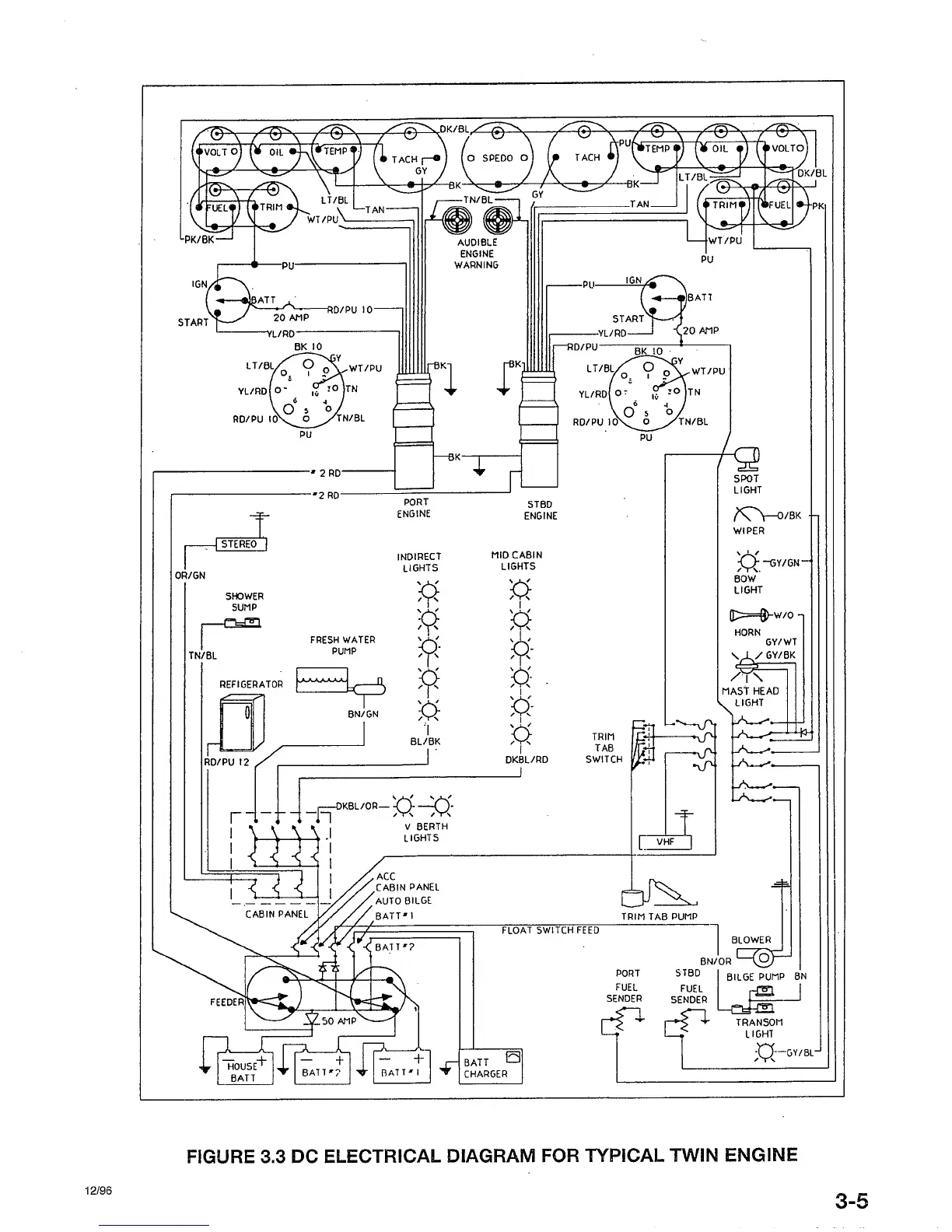
Rinker Cruisers - DC Electrical Diagram for Typical Twin Engine

Default Icon
89 pages
Print Icon
To Next Page IconTo Next Page
To Next Page IconTo Next Page
To Previous Page IconTo Previous Page
To Previous Page IconTo Previous Page
Loading...

Table of Contents