EasyManua.ls Logo

RM V-ULA 50 - Schematic Diagram

RM V-ULA 50
16 pages
Print Icon
To Next Page IconTo Next Page
To Next Page IconTo Next Page
To Previous Page IconTo Previous Page
To Previous Page IconTo Previous Page
Loading...
Mod V-ULA 50 1.01
date 03-01-2002 Page 2 di 6
&
&
&
&
5OD
&
/
'
& &
&
& &
& &
&
/
'
/
'
'
/
&
&
5
&
&
5
5
/
&
&
&
&
&
7U
&
&
5
'
5
7U
&
&
5
5
'
'
5
&
7U
&
7U
5
&
5
5
7U
5
6


5
&
&
&

5
&
7U
'
5
5
&
/
/
5
&
5O
7U
5
'
7U
5
5
7U
'
5
'
57;
'
/
5O
/
/
'
&
&
&
& &
5OD
&
&
&
&
'
5
5
,F
7U
5
5


5
7U
5
6
&
&
&
&
5
&
&
'
7U
7U
5
5
'
5O
'
5O
7U
&
&
&
5O
5
5
7U
5
5
&
'
5
6
7U
&
7U
5
5
'
5
5
&
5
/
'
'&
/
&
&
&
/
5
&
&
5
'
&
&
&
5
&
5
&
/
&
7U
/
&
&
7U
5
*
+
&
)
(
'
&
$
%
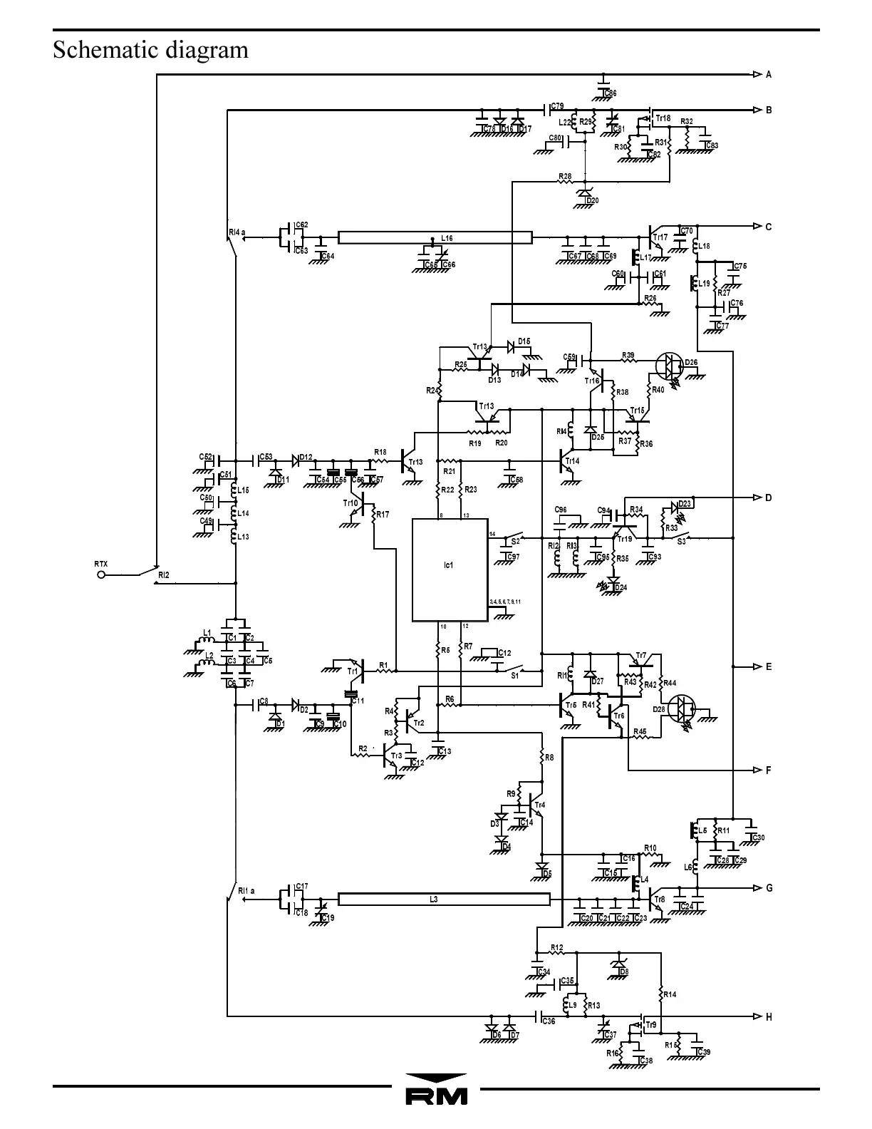
Schematic diagram

Related product manuals