EasyManua.ls Logo

ROBBE BK 117 - Page 6

ROBBE BK 117
Print Icon
To Next Page IconTo Next Page
To Next Page IconTo Next Page
To Previous Page IconTo Previous Page
To Previous Page IconTo Previous Page
Loading...
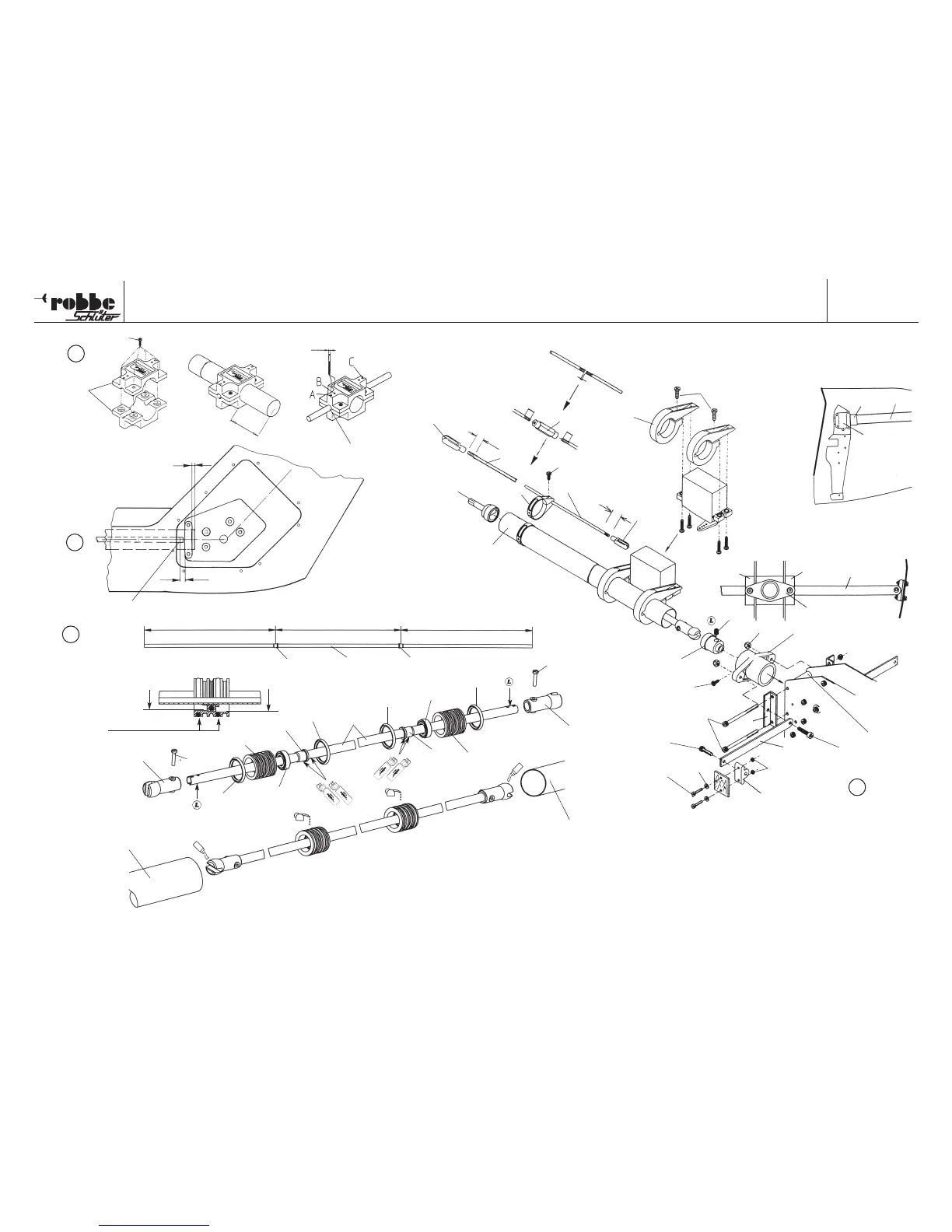
BK 117
No.
S 2918
K
1/3
S4750
S4750
S1685
S1685
S1684
S3544
S3544
S3544
S3544
S0020
S0020
S4633
S4633
Hilfsrohr
Jig tube
Tube auxiliaire
S01311
S01311
S4750
S4750
S47482
S47482
Für Rohr
For tube Ø 20 x 0,5
Pour tube
d
D
Bitte beachten:
Please note: d < D
À noter:
1/3
1/3
N
S1682
S4375
Ø 2 mm
S2963
M
S0059
S1242
S3477
S3705
S1005
S1241
S1684
S0375
S0059
S4375
S0940
S0077
S4742
S0012
S4047
S1005
S1722
S4047
S0010
S0000
S0020
S3198
M3x14
L
2 mm
5 mm
1
0
m
m
1
0
m
m
6
m
m
6
m
m
1
m
m
S4047
S4136
S4191
S1684
S4136
S4191
„MK“
robbe Form 70-14092 GAB
(20)
(7)
(7)
(5)
(5)
(5)
„MK“
S0039
M3x10

Related product manuals