EasyManua.ls Logo

Robin EC1O - Page 16

Robin EC1O
28 pages
Print Icon
To Next Page IconTo Next Page
To Next Page IconTo Next Page
To Previous Page IconTo Previous Page
To Previous Page IconTo Previous Page
Loading...
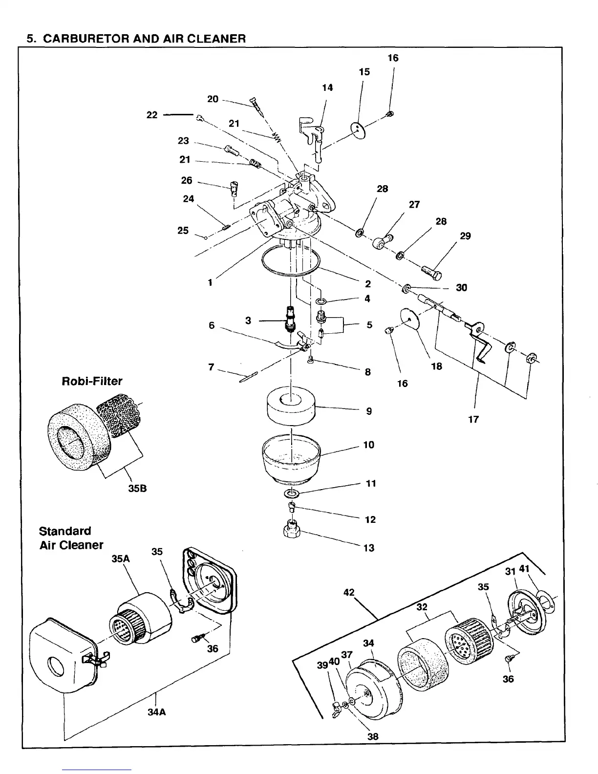
5.
CARBURETOR
AND
AIR
CLEANER
Robi-Filter
35
B
1
/
-\
7
i
17
Standard
Air
Cleaner
35A
35
\

Related product manuals