EasyManua.ls Logo

Robin EC1O - Page 18

Robin EC1O
28 pages
Print Icon
To Next Page IconTo Next Page
To Next Page IconTo Next Page
To Previous Page IconTo Previous Page
To Previous Page IconTo Previous Page
Loading...
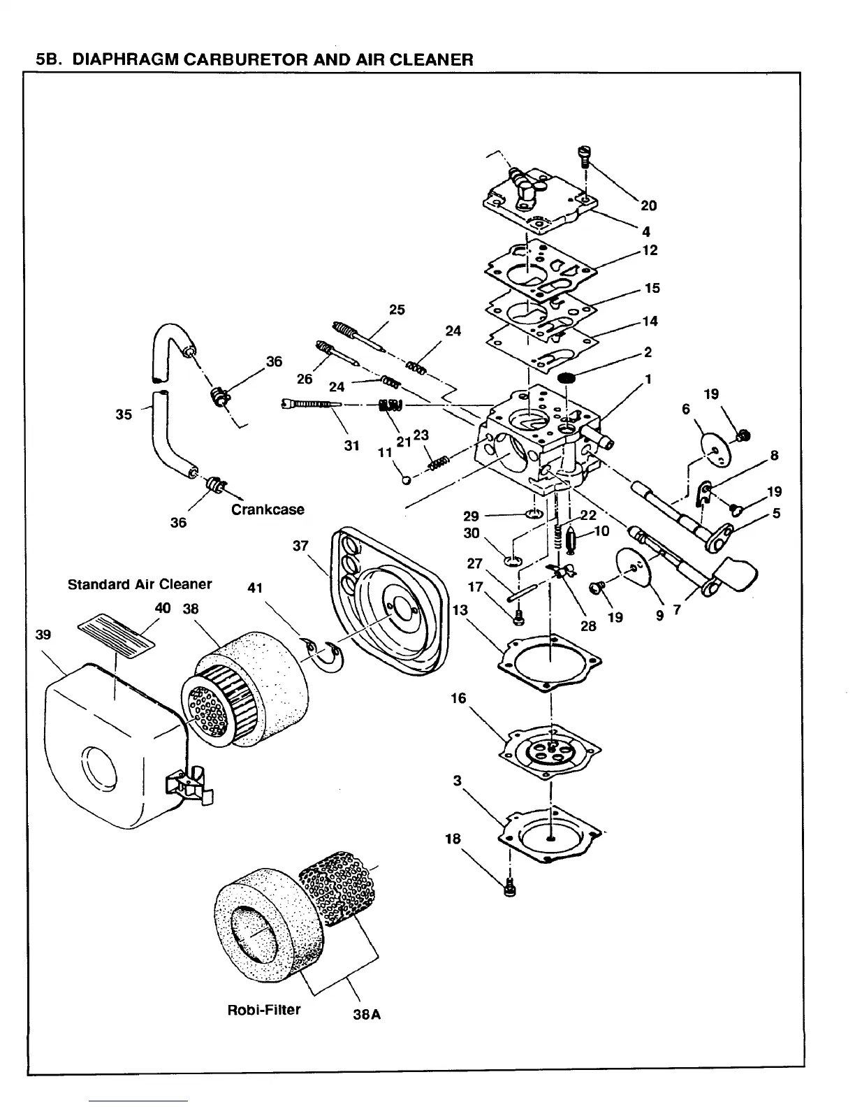
5B. DIAPHRAGM CARBURETOR AND AIR CLEANER
20
4
Robi-Filter
38A

Related product manuals