EasyManua.ls Logo

Robin EC1O - Page 6

Robin EC1O
28 pages
Print Icon
To Next Page IconTo Next Page
To Next Page IconTo Next Page
To Previous Page IconTo Previous Page
To Previous Page IconTo Previous Page
Loading...
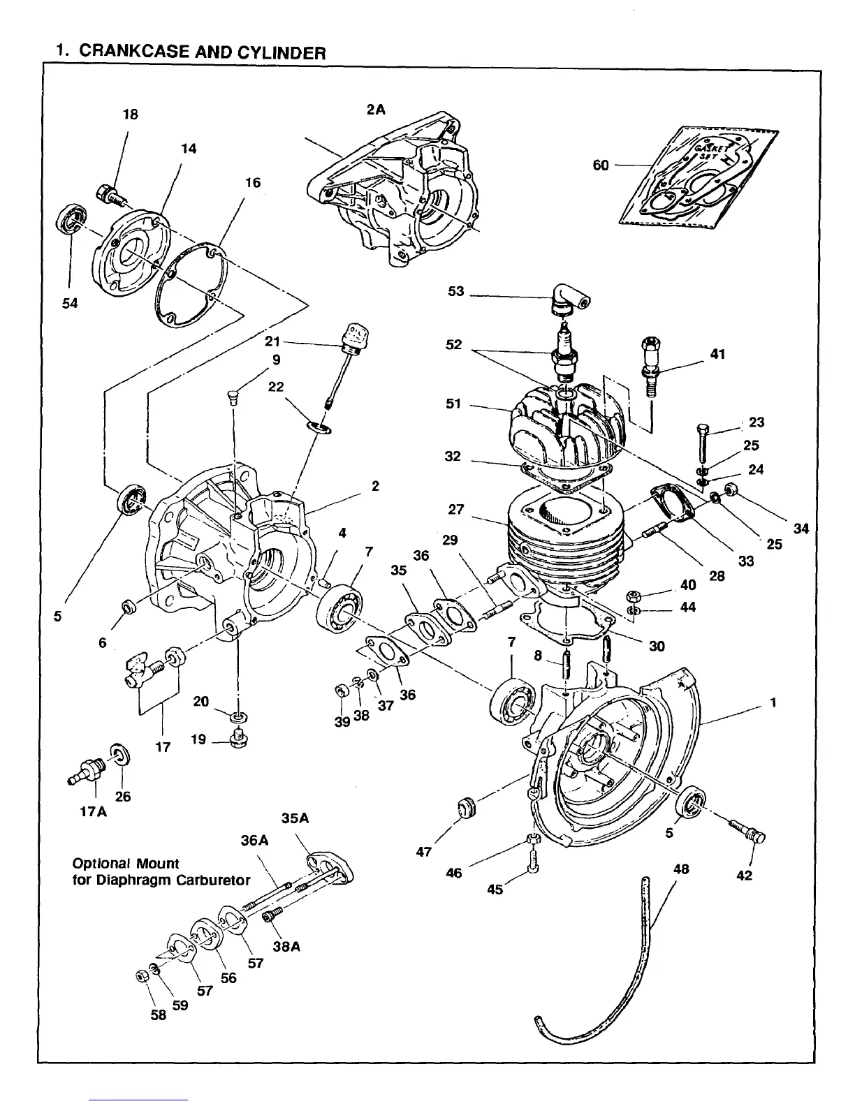
1.
CRANKCASE
AND
CYLINDER
34

Related product manuals