EasyManua.ls Logo

Robland D 510 - Page 77

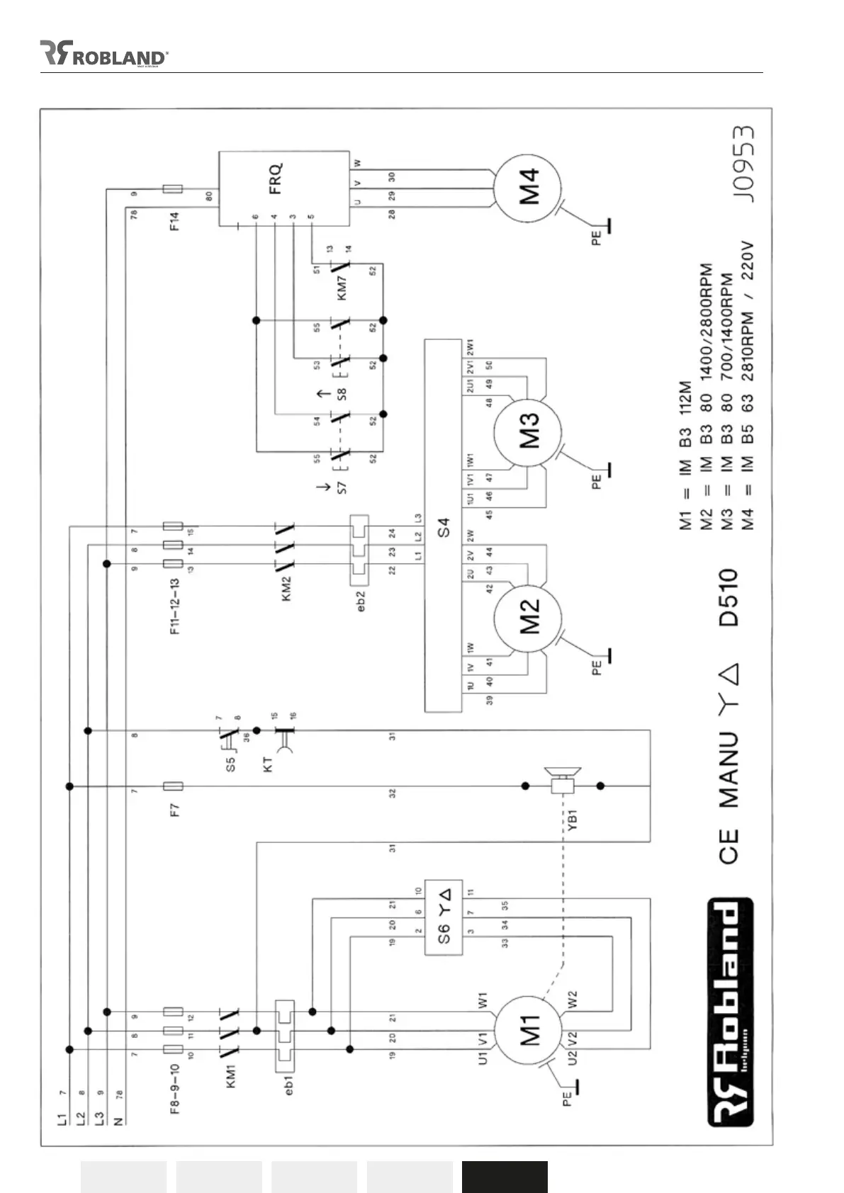
Robland D 510
Print Icon
To Next Page IconTo Next Page
To Next Page IconTo Next Page
To Previous Page IconTo Previous Page
To Previous Page IconTo Previous Page
Loading...
76 V0214 D 510
Nederlands Français English Deutsch
19

Table of Contents