EasyManua.ls Logo

Rockwell Automation Allen-Bradley 900-TC16

Rockwell Automation Allen-Bradley 900-TC16
410 pages
To Next Page IconTo Next Page
To Next Page IconTo Next Page
To Previous Page IconTo Previous Page
To Previous Page IconTo Previous Page
Loading...
Publication 900-UM007D-EN-E - January 2011
1-2 Bulletin 900 Input & Output Overview
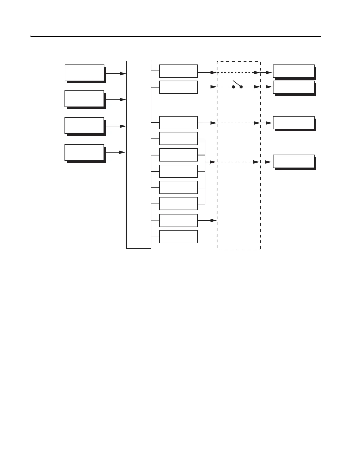
Figure 1.2 — 900-TC16 I/O Configuration
Temperature Input
or Analog Input
CT1 Input
CT2 Input
Event Inputs
2 Channels
Set point input functions
from external digital switches:
• RUN/STOP
• Program Start
• Auto/Manual
Control
Section
Control Output
Heating
Control Output
Cooling
Auxillary Output 2
Auxillary Output 1
Auxillary Output 2
Auxillary Output 1
Control Ouput 1
Control Ouput 2
Heating/Cooling
Overcurrent Alarm
HB Alarm
HS Alarm
Input Error
Simple Program
END Output
Communications
Function
QQ303T

Related product manuals