EasyManua.ls Logo

Romet CRS 50 - Page 44

Romet CRS 50
Print Icon
To Next Page IconTo Next Page
To Next Page IconTo Next Page
To Previous Page IconTo Previous Page
To Previous Page IconTo Previous Page
Loading...
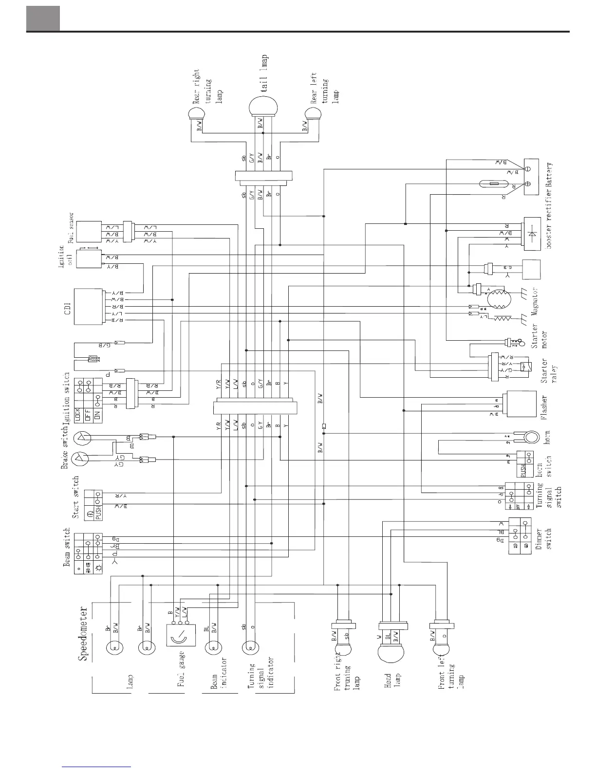
15. Circuit diagram CRS 125
42
GB

Related product manuals