EasyManua.ls Logo

Romet CRS 50 - Page 47

Romet CRS 50
Print Icon
To Next Page IconTo Next Page
To Next Page IconTo Next Page
To Previous Page IconTo Previous Page
To Previous Page IconTo Previous Page
Loading...
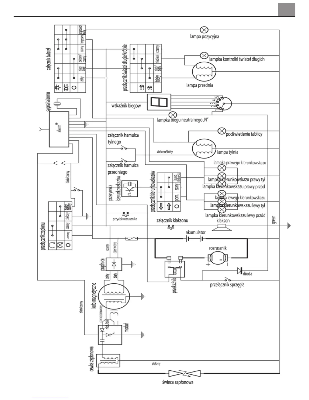
15. Circuit diagram Zetka 50
GB
45

Related product manuals