EasyManua.ls Logo

ROTOTILT TLEE - Page 8

Default Icon
10 pages
Print Icon
To Next Page IconTo Next Page
To Next Page IconTo Next Page
To Previous Page IconTo Previous Page
To Previous Page IconTo Previous Page
Loading...
© Rototilt Group AB 2017-01-18
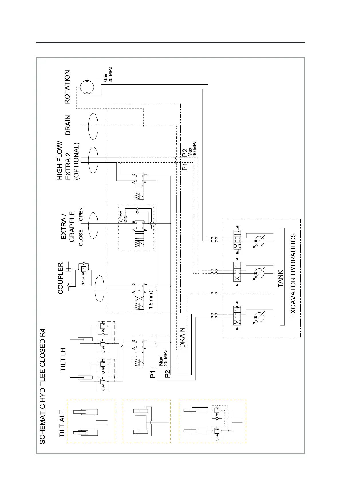
Hydraulic Schematic TLEE Closed R4
English
EN
SCHEMATICS - TLEE Closed

Related product manuals