EasyManua.ls Logo

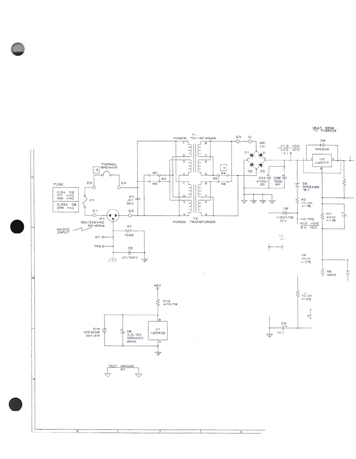
RTS PS-15 - Schematic Diagram

RTS PS-15
13 pages
Print Icon
To Next Page IconTo Next Page
To Next Page IconTo Next Page
To Previous Page IconTo Previous Page
To Previous Page IconTo Previous Page
Loading...