EasyManua.ls Logo

Ruggerini RD278 - 6 Overall Dimensions

Default Icon
48 pages
Print Icon
To Next Page IconTo Next Page
To Next Page IconTo Next Page
To Previous Page IconTo Previous Page
To Previous Page IconTo Previous Page
Loading...
13
COMPILER TECO/ATI ENDORSEDDATE
01.08.2003
REG. CODE
1-5302-620
MODEL N°
50902
DATE OF ISSUE
08-03
REVISION 00
VI
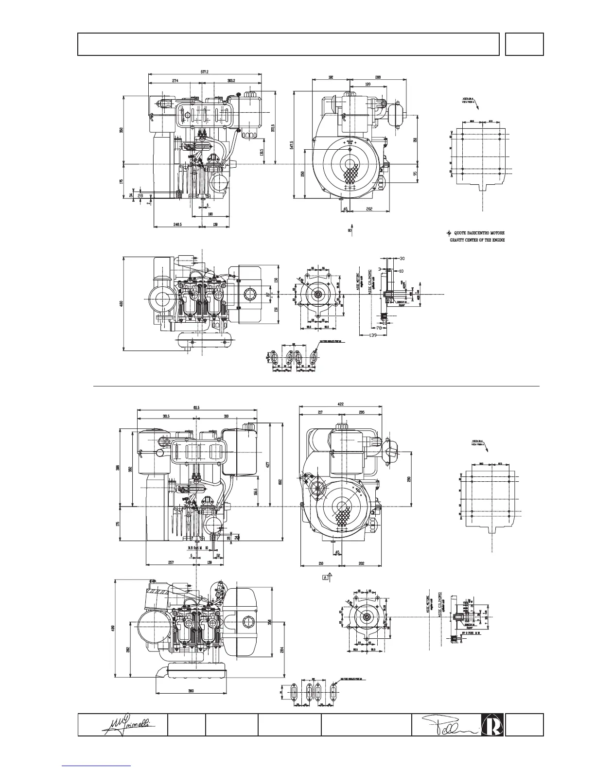
RD210
RD211
RD270
RD278
OVERALL DIMENSIONS
Note: Dimensions in mm

Table of Contents

Related product manuals