EasyManua.ls Logo

RUKO RS120e - Drawing of Electrical System Rs125 E; Drawing of Drilling Unit Rs 126 E

RUKO RS120e
32 pages
Print Icon
To Next Page IconTo Next Page
To Next Page IconTo Next Page
To Previous Page IconTo Previous Page
To Previous Page IconTo Previous Page
Loading...
14
Massstab
Härte
Material
Benennung
Teil-Nr.
Seite
Ersatz r: ersetzt von:
2012
06.02.2014
Name
erstellt
kontrolliert
Datum NameStand
Änderung
All rights reserved.
Without our consent it is not allowed to duplicate
the drawing nor to make it available for third
parties or to use it for different improper purposes.
Ständergehäuse.dft
Toleranz nach
ISO 2768 T1
1:4
RUKO
Datum
Weber
2
Toleranzklasse
Mittel
RS140/130/125/120
21
6
6
2
7
1
4
1
5
2
3
1
27
1
20
2
17
1
2
1
1
1
29
6
15
1
13
1
24
1
Ständer bleibt bei
Erstatzstückliste für RS
140/130/125/120 gleich!
26
1
28
3
11
10
8
4
23
1
16
1
19
3
18
3
10
3
9
1
25
1
22
2
14
1
12
1
Massstab
Härte
Material
Benennung
Teil-Nr.
Seite
Ersatz r: ersetzt von:
2013
06.02.2014
Name
erstellt
kontrolliert
Datum
Name
Stand
Änderung
All rights reserved.
Without our consent it is not allowed to duplicate
the drawing nor to make it available for third
parties or to use it for different improper purposes.
RS40e_Explosion.dft
Toleranz nach
ISO 2768 T1
1:3,3
RUKO
Datum
Weber
1
Toleranzklasse
Mittel
RS125e Elektrik
M-
M+
MO A2
MO 21
MO 11
MO 12
MO 22
MA 2
MA 2a
MA 1a
MA 1
SP 1
SP 2
LR 1a
LR 1
LR 1b
LR 2b
LR 2a
LR 2
1
2
3
4
5
6
7
8
1
2
3
4
5
6
7
8
MA 1a
MA 2a
SL
M
SL
M
B2
B1
M2
M1
M+
M-
B2
MO A2
MA 2
M1
MO 11
M2
MA 1
MO 21
B1
MO 12
MO 22
SP 1
SP 2
LR 1a
LR 2b
LR 2
LR 1b
LR 2a
LR 1
MP 1
MP 2
MP 4
C 1
C 2
MP 1
MP 2
C 1
C 2
MP 3
MP 4
PR 1
PR 2
PR 3
PR 4
PR 4
PR 3
PR 2
PR 1
blau
blau
grün
grün
MP 3
81
1
82
1
83
1
88
1
89
1
90
1
91
1
85
1
86
1
87
1
84
1
88
1
92
1
16
1
93
1
39
1
33
1
US I american
PRECISION TOOLS
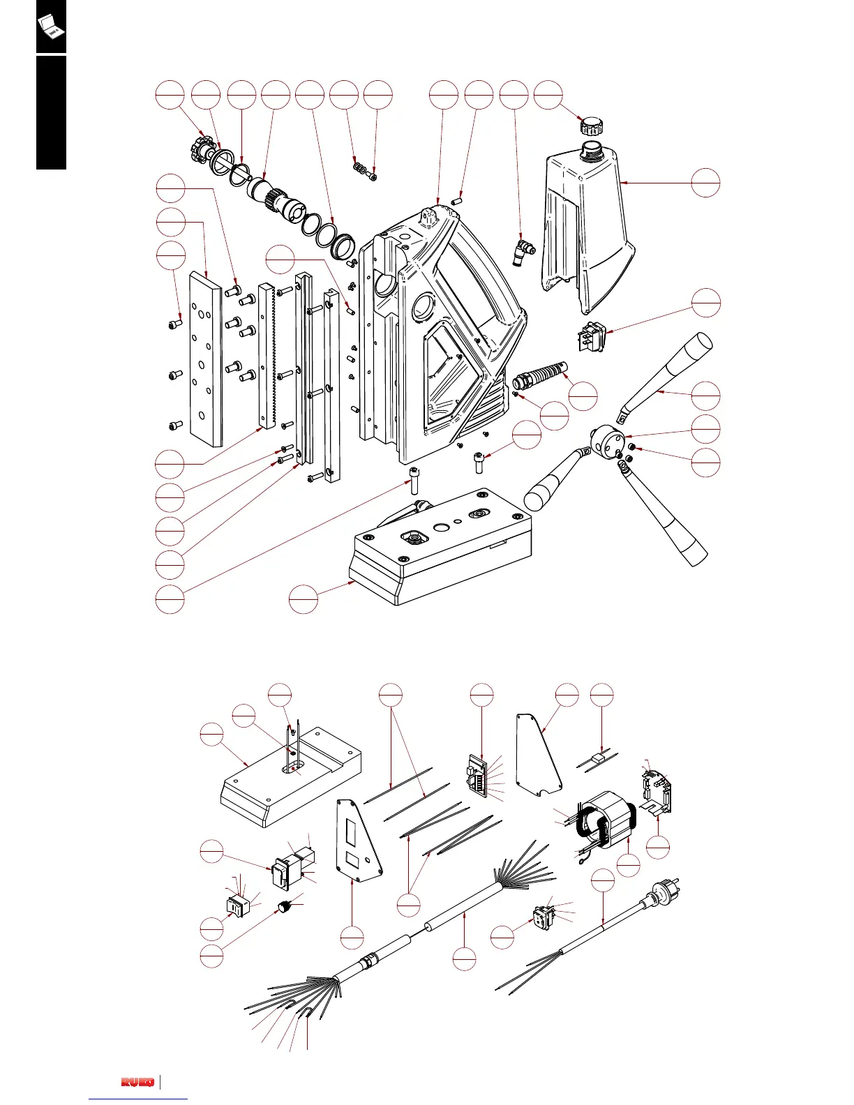
Drawing of drilling unit RS125e
Drawing of electrical system RS125e

Related product manuals