EasyManua.ls Logo

RUKO RS25e - RS25 e Unit and Electrical Diagrams

RUKO RS25e
24 pages
Print Icon
To Next Page IconTo Next Page
To Next Page IconTo Next Page
To Previous Page IconTo Previous Page
To Previous Page IconTo Previous Page
Loading...
15
75
1
53
1
52
1
51
1
46
1
50
1
48
1
57
1
58
1
47
1
49
1
70
1
60
1
61
4
62
3
63
4
64
1
66
4
67
8
72
2
65
2
71
2
74
1
54
2
56
1
59
2
76
3
55
1
68
6
63
4
69
2
73
1
78
1
81
1
77
1
85
1
83
1
84
1
82
1
87
1
88
1
86
1
80
1
79
1
49
1
41
1
91
1
92
1
MO A2
MO21
MO 11
MO 12
MO 22
MA 2
MA 2a
MA 1a
MA1
M-
M+
M
M
SL
B2
B1
M2
M1
M+
M-
B2
MO A2
MA 2
M1
MO11
M2
MA1
MO 21
B1
C1
C2
PR 1
PR 2
1
2
MO 12
MO 22
MA 1a
MA 2a
SL
3
89
1
90
1
42
1
4
5
6
7
8
SP 1
SP 2
LR 1a
LR 2b
LR 2
LR 1b
LR 2a
LR 1
1
2
3
4
5
6
7
8
C1
C2
MP 3
MP 4
PR 4
PR 3
PR 2
PR 1
MP 2
MP 1
SP1
SP2
LR1a
LR1
LR1b
LR2b
LR2a
LR2
PR 4
PR 3
MP 3
MP 4
MP 1
MP 2
GB I english
PRECISION TOOLS
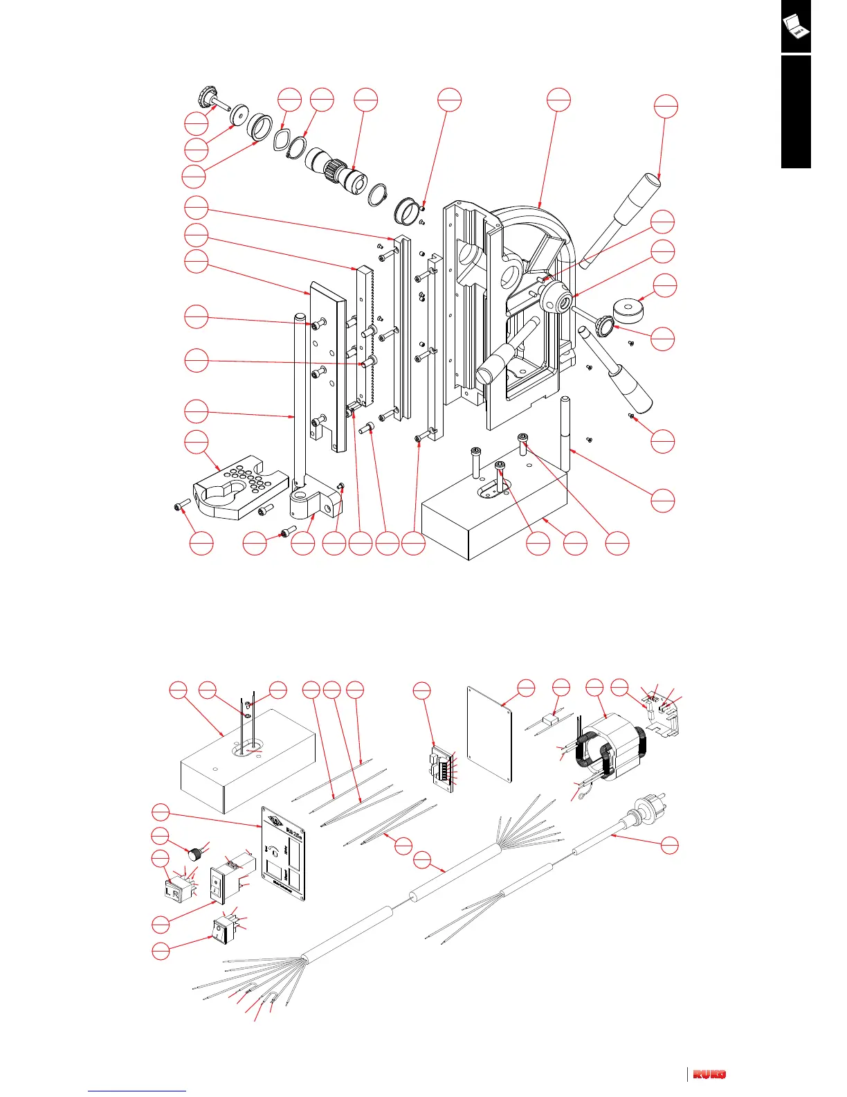
Drawing of drilling unit RS25e
Drawing of electrical system RS25e

Related product manuals