EasyManua.ls Logo

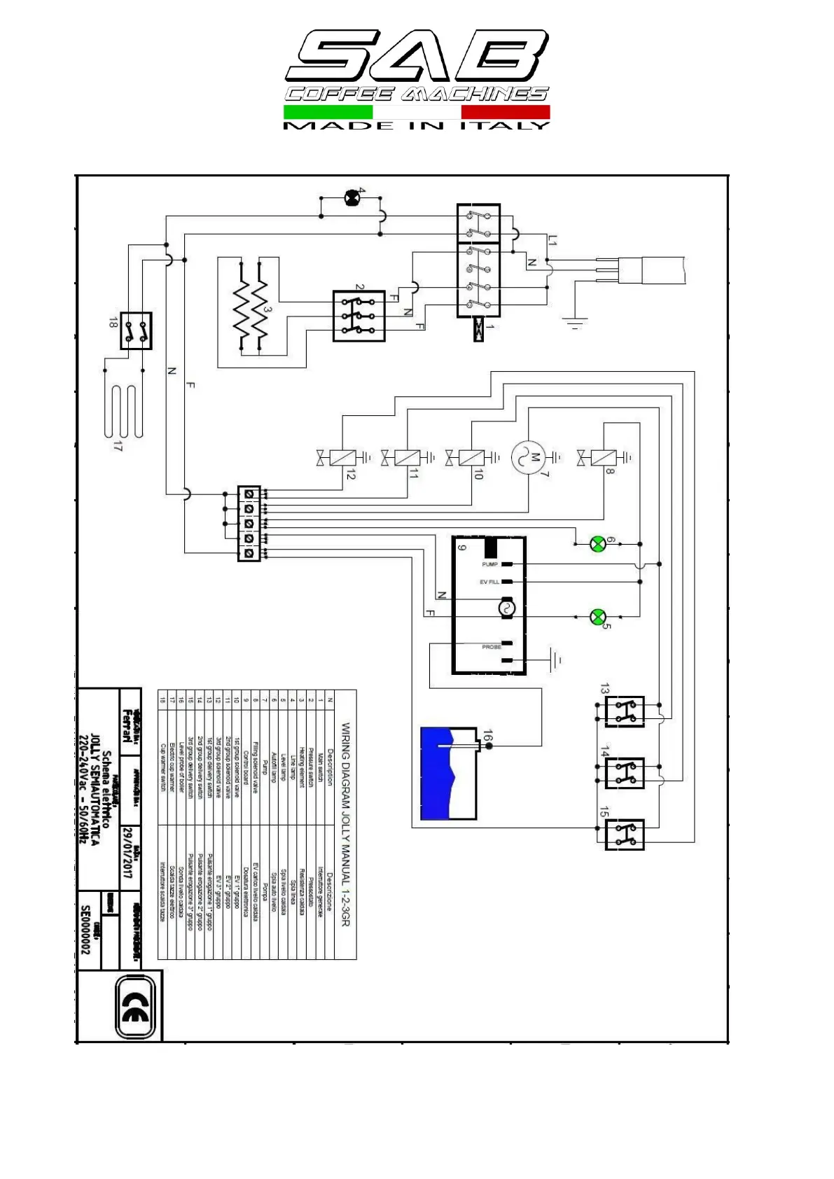
SAB JOLLY - Electrical Diagram - Semi Automatic Version

SAB JOLLY
Print Icon
To Next Page IconTo Next Page
To Next Page IconTo Next Page
To Previous Page IconTo Previous Page
To Previous Page IconTo Previous Page
Loading...
Manuale Utente User manual Macchina caffè modello JOLLY PRESTIGE
Rev. 2018-04 Pag 35 di 37
Con riserva di modifica - Specification subject to change

Related product manuals