EasyManua.ls Logo

Sailor 6207 - Cable Part Number and Wiring Details; Galvanic Separation Warning

Sailor 6207
2 pages
Print Icon
To Previous Page IconTo Previous Page
To Previous Page IconTo Previous Page
Loading...
Thrane & Thrane A/S
info@thrane.com
www.thrane.com
12
11
10
9
8
7
6
5
4
3
2
1
12
11
10
9
8
7
6
5
4
3
2
1
12
11
10
9
8
7
6
5
4
3
2
1
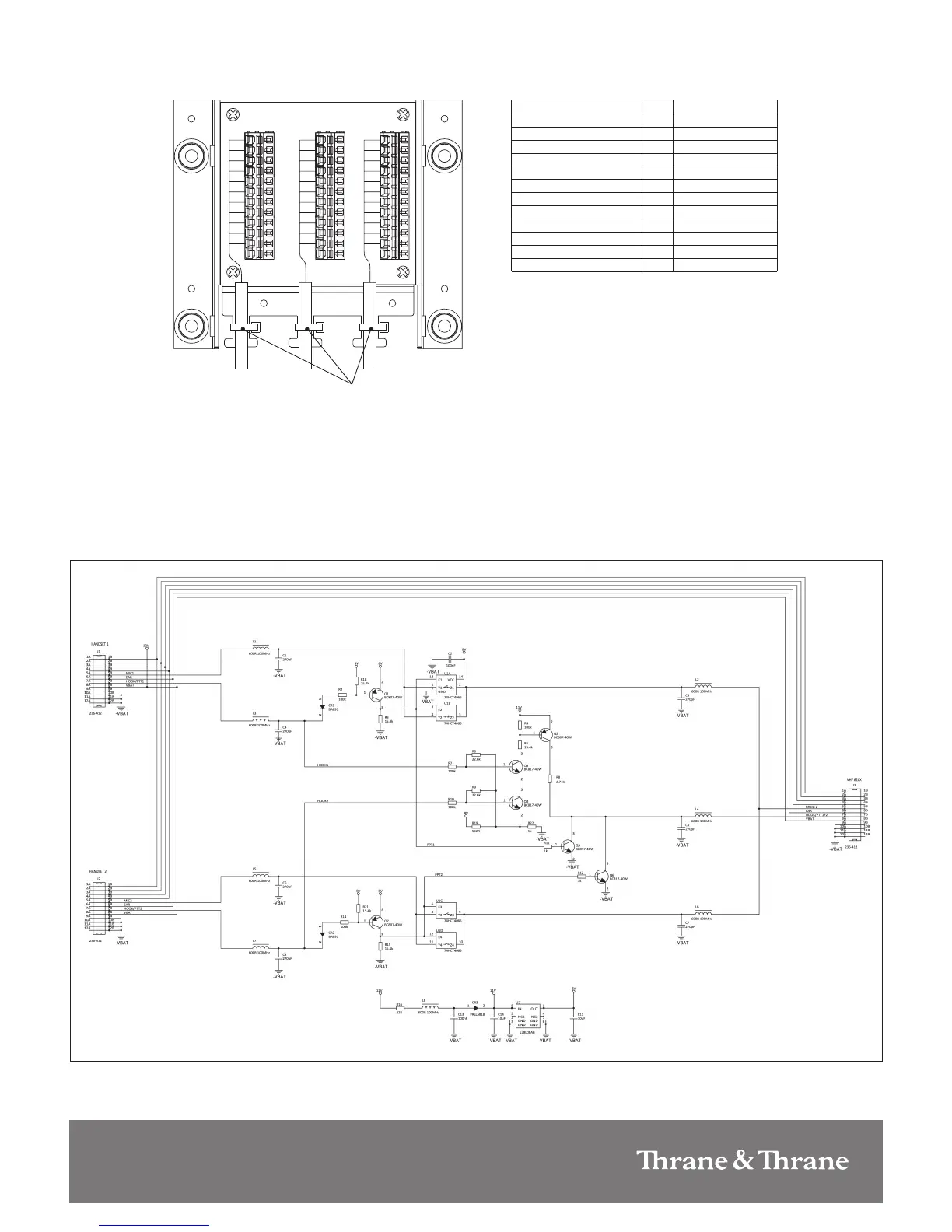
VHF 62XX
Handset 2
Handset 1
99-132868-A
J1
J2
J3
Wire color
Pin
Brown
1
Blue
2
White
3
Green
4
Yellow
5
Grey
6
Pink
7
Red
8
Black
9
10
Orange
NMEA in+
NMEA in-
NMEA HS in-
NMEA HS in+
Mike 2 / Line in
Ear 2 / Line out
Hook_PTT
Bat_SW Supply voltage when on
Internal GND = - Battery
Internal GND = - Battery
Description
11
SCREEN (Drain)
Internal GND = - Battery
12
NC
WW
WW
W
ARNINGARNING
ARNINGARNING
ARNING
None of the cable screens on the VHF 62xx
must touch any mechanical parts in order to
maintain galvanic separation.
98-132862-B
Use cable strips to secure cables.
Cable, part no. 406209-941

Related product manuals