EasyManua.ls Logo

Saivod SAP718 - Teste de Funcionamento

Saivod SAP718
Print Icon
To Next Page IconTo Next Page
To Next Page IconTo Next Page
To Previous Page IconTo Previous Page
To Previous Page IconTo Previous Page
Loading...
57
57
57
/
1
1
6
&
&
.
/
6$
$3
0
&
$3
0
Teste de funcionamento
Ligue a fonte de alimentação e, de seguida, prima o botão ON/OFF no comando para
iniciar a unidade.
Prima o botão do modo para selecionar a função automática, refrigeração, desumidicação,
ventilação ou aquecimento e, de seguida, verique se a unidade está a funcionar de
forma normal.
Se a temperatura ambiente estiver abaixo de 16 ºC, a unidade não pode funcionar no
modo de refrigeração.
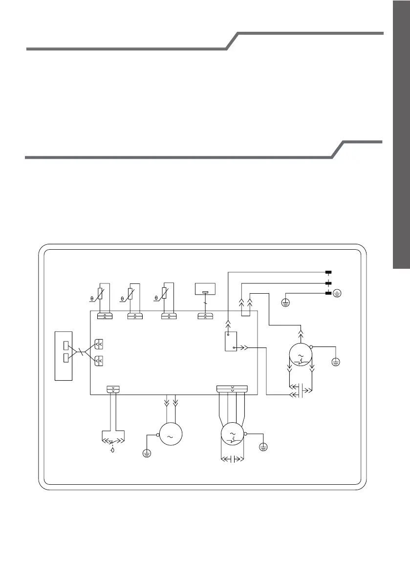
Diagrama esquemático elétrico
O diagrama esquemático elétrico está sujeito a alterações sem aviso prévio.
Consulte quais são na unidade.
SAP718
SAP918
TEMP. AMB.
SENSOR
TUBO
SENSOR
TEMP.
TUBO EXT.
SENSOR TEMP.
RECETOR
PLACA
DIVISÃO TUBO TUBO DE SAÍDA
REC
BU
BU(WH)
BN(BK)
YEGN(GN)
ALIMENTAÇÃO
COMP.
COMP
FAM
VENTILADOR
MOTOR
MOTOR DE ÁGUA
INTERRUPTOR DO
NÍVEL DE ÁGUA
VISOR
PLACA
WATER1
ALTO-WP
DISP2
DISP2
DISP1
DISP1
YEGN
YEGN
COM
BN
COMP
YEGN
R(M)
RD
RD
RD
RD
BU
YE
CAP.
CAP.
PE
PE
PE
PE
WH
NC
BK
N1
AP1
PLACA PRINCIPAL
PT

Table of Contents

Related product manuals