EasyManua.ls Logo

Saivod SAPH98 - Page 20

Saivod SAPH98
Print Icon
To Next Page IconTo Next Page
To Next Page IconTo Next Page
To Previous Page IconTo Previous Page
To Previous Page IconTo Previous Page
Loading...
20
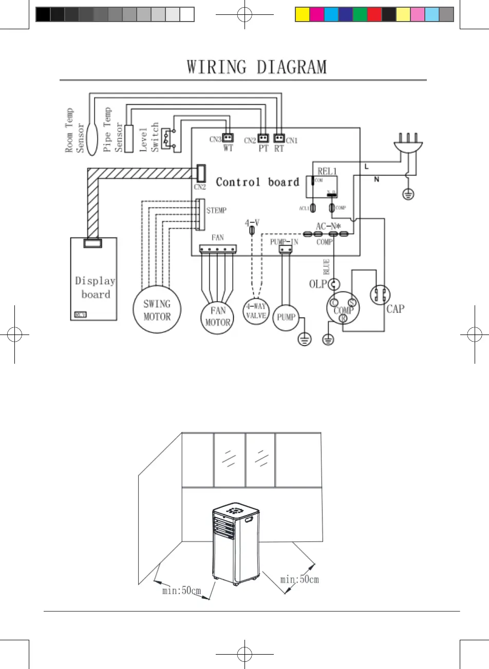
COLOCAÇÃO INSTALAÇÃO
COLOCAÇÃO
Colocar
o aparelho sobre uma superfície plana e seca; mantê-lo afastado de outros elemen-
tos num raio de, pelo menos, 50 cm. (Fig. 1)
(FIG. 1)
JHS.indd 20 2018/1/24 17:10:11

Related product manuals