EasyManua.ls Logo

Saivod SAPH98 - Instalación

Saivod SAPH98
Print Icon
To Next Page IconTo Next Page
To Next Page IconTo Next Page
To Previous Page IconTo Previous Page
To Previous Page IconTo Previous Page
Loading...
6
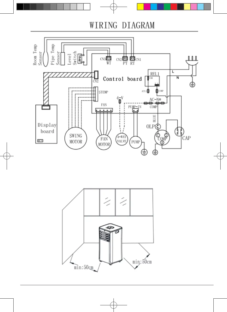
COLOCACIÓN
Coloque el aparato sobre una superficie plana y seca; manténgalo alejado de
otros elementos en un radio de al menos 50 cm. (Fig. 1)
(Fig. 1)
INSTALACIÓN
JHS.indd 6 2018/1/24 17:10:09

Related product manuals