EasyManua.ls Logo

Samson MCD2Pro - Page 22

Samson MCD2Pro
36 pages
Print Icon
To Next Page IconTo Next Page
To Next Page IconTo Next Page
To Previous Page IconTo Previous Page
To Previous Page IconTo Previous Page
Loading...
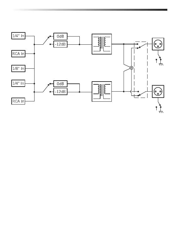
Blockdiagramm
Ground Lift
Balanced
Output
Stereo/
Mono
SW
Transformer
Faraday
Shielded
Pad
Ground Lift
Balanced
Output
Transformer
Faraday
Shielded
Pad