EasyManua.ls Logo

Samsung AD26A1C13 - Outdoor Unit Wiring Diagram

Samsung AD26A1C13
31 pages
Print Icon
To Next Page IconTo Next Page
To Next Page IconTo Next Page
To Previous Page IconTo Previous Page
To Previous Page IconTo Previous Page
Loading...
27
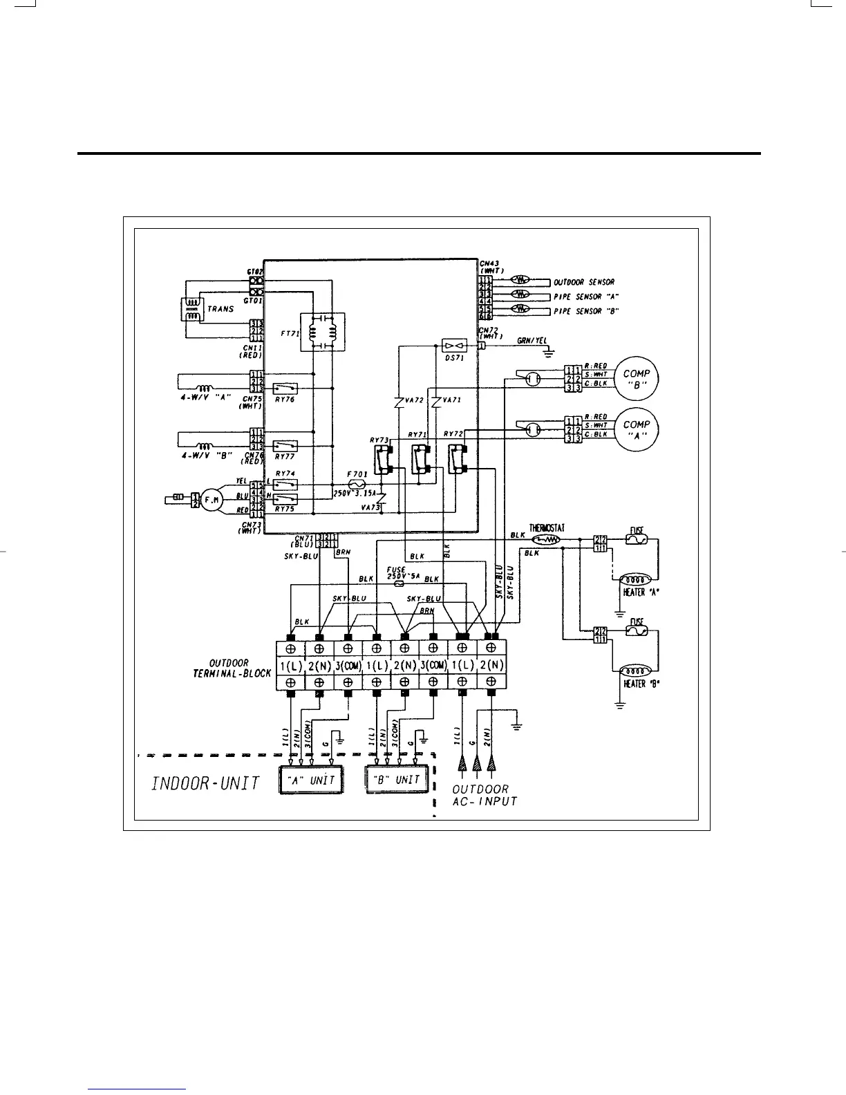
6-2 Outdoor Unit (UD26A1C2/UD18A1C2)
15-31043a(5)-WD 4/17/01 2:16 PM Page 27

Related product manuals