EasyManua.ls Logo

Samsung DV330AEW - Page 7

Samsung DV330AEW
7 pages
Print Icon
To Previous Page IconTo Previous Page
To Previous Page IconTo Previous Page
Loading...
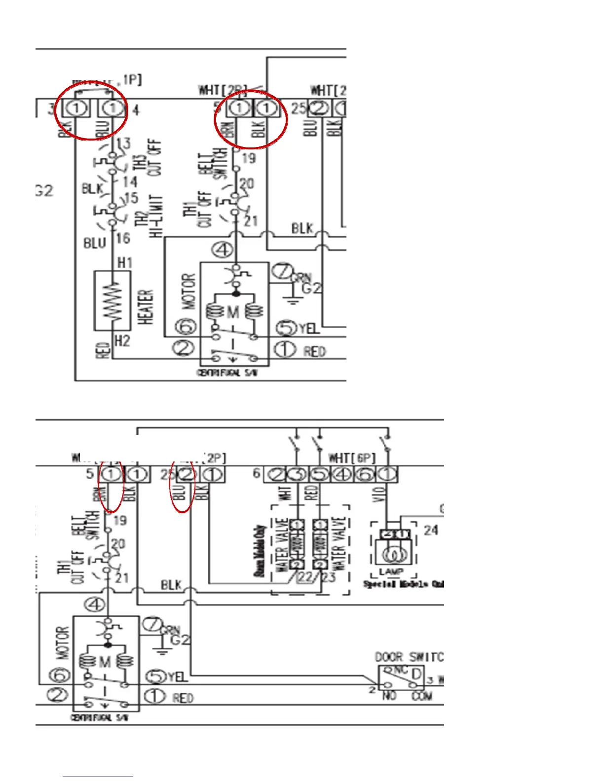
RY 6 RY 5
RY 5 CN7
Testing Main PCB power output to Heating
& Motor circuit.
With motor running in the heating mode,
read AC voltage across RY6 and RY5.
Any voltage reading means Main PCB is
defective.
See page 4 for Main PCB layout for testing.
Testing Motor circuit.
With power off read
resistance between
RY5 Brown and CN7
Blue.
Resistance reading of
good motor circuit is
about 1.9. To test
thermostat and switch
use ohm meter on
lowest scale, any
resistance replace
component.
See page 4 for Main
PCB layout for testing.

Related product manuals