EasyManua.ls Logo

Samsung LE40F71B - Viewing the Connection Panel

Samsung LE40F71B
51 pages
Print Icon
To Next Page IconTo Next Page
To Next Page IconTo Next Page
To Previous Page IconTo Previous Page
To Previous Page IconTo Previous Page
Loading...
English-4
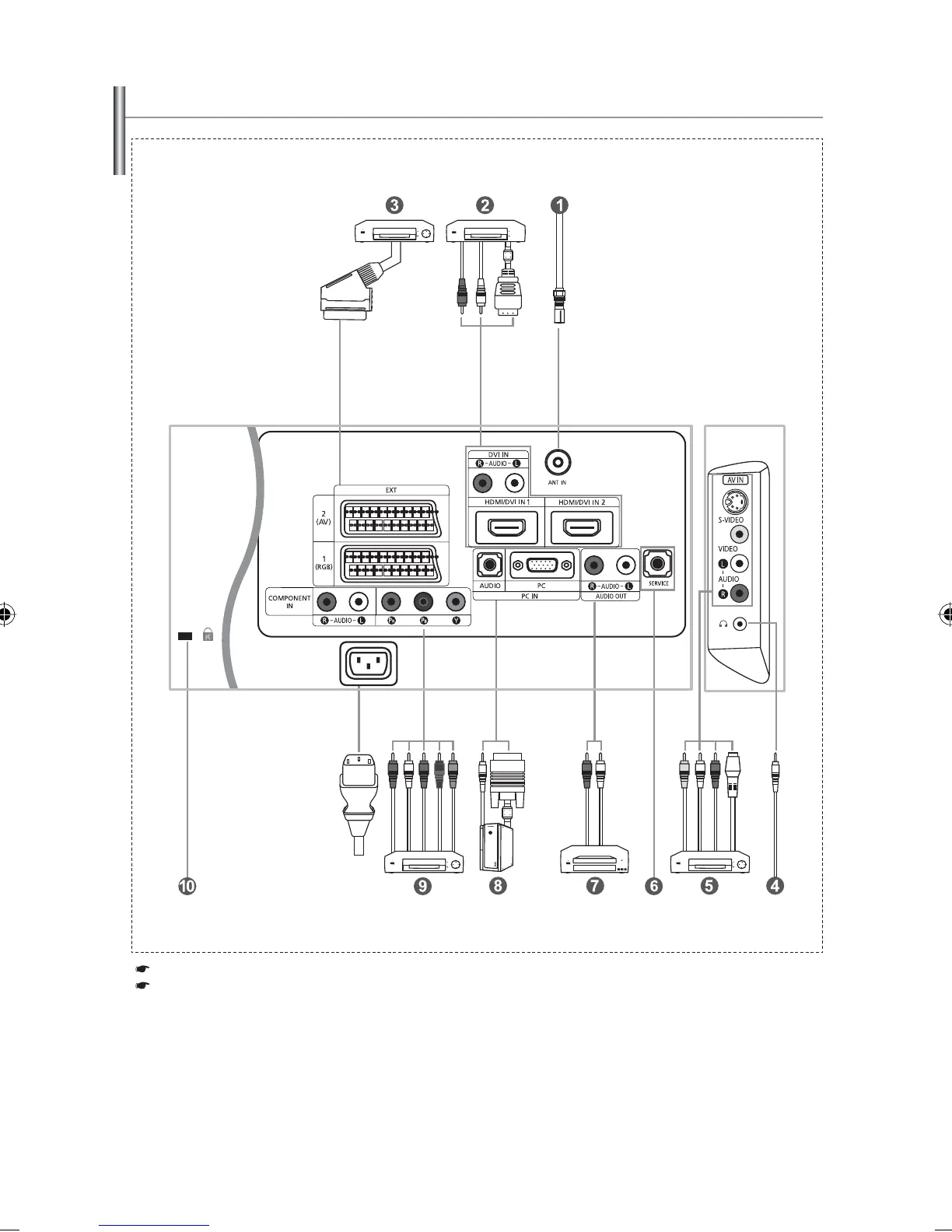
Viewing the Connection Panel
Power Input
Whenever you connect an external device to your TV, make sure that power on the unit is turned off.
When connecting an external device, match the colour of the connection terminal to the cable.
[Side Panel Jacks]
[Rear Panel Jacks]
BN68-01047Q-00Eng.indd 4BN68-01047Q-00Eng.indd 4 2006-08-28  8:11:272006-08-28  8:11:27

Table of Contents

Related product manuals