EasyManua.ls Logo

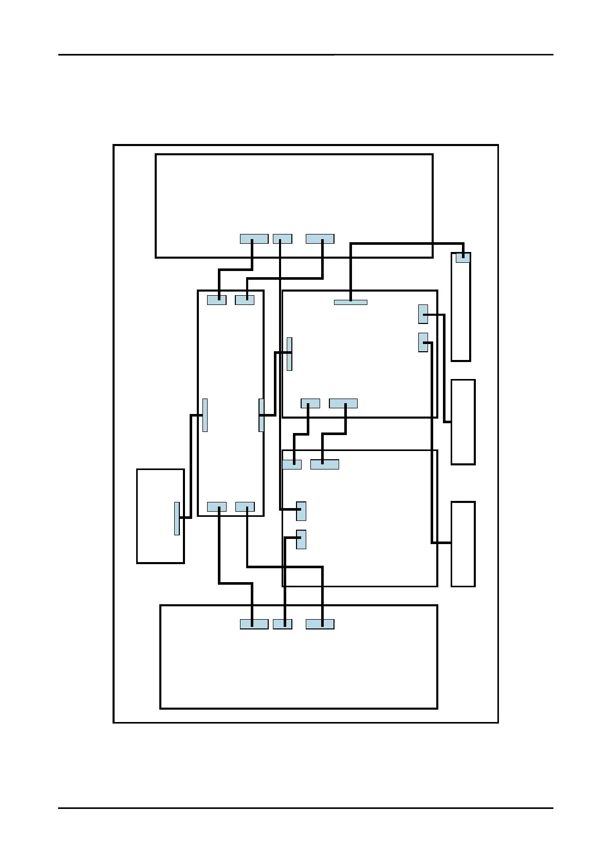
Samsung LE40F86BD - 6-2. ROSE Wiring Diagram

Samsung LE40F86BD
278 pages
Print Icon
To Next Page IconTo Next Page
To Next Page IconTo Next Page
To Previous Page IconTo Previous Page
To Previous Page IconTo Previous Page
Loading...
6-2
6. Wiring Diagram
6-2. ROSE Wiring Diagram
T- CON
Dimming
Board
IP Board
Main Board
Driver
Driver
Side- AV
CN2702
CN1601
CN2703
CN1101
CN2003 CN1201
CN105
CNM801
CN804
CN803CN802
CN302
CN301
CN369
CN303
CN2
CN421
CN404 CN90101
CN90002
CN90110CN90101
CN90002
CN90110
Function&IR
Speaker

Related product manuals