EasyManua.ls Logo

Samsung MAX-485 - Page 27

Samsung MAX-485
69 pages
Print Icon
To Next Page IconTo Next Page
To Next Page IconTo Next Page
To Previous Page IconTo Previous Page
To Previous Page IconTo Previous Page
Loading...
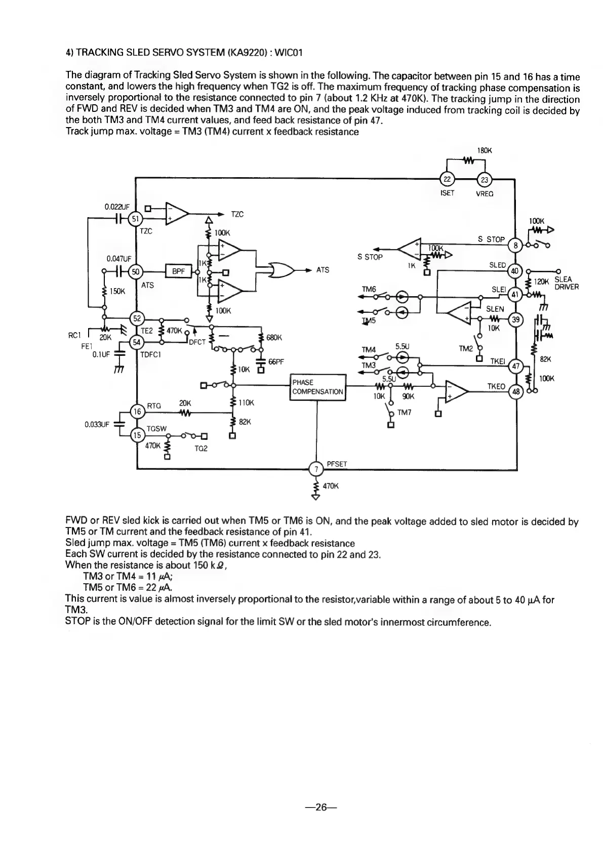
4)
TRACKING
SLED
SERVO
SYSTEM
(KA9220)
:
WICO1
The
diagram
of
Tracking
Sled
Servo
System
is
shown
in
the
following.
The
capacitor
between
pin
15
and
16
has
a
time
constant,
and
lowers
the
high
frequency
when
TG2
is
off.
The
maximum
frequency
of
tracking
phase
compensation
is
inversely
proportional
to
the
resistance
connected
to
pin
7
(about
1.2
KHz
at
470K).
The
tracking
jump
in
the
direction
of
FWD
and
REV
is
decided
when
TM3
and
TM4
are
ON,
and
the
peak
voltage
induced
from
tracking
coil
is
decided
by
the
both
TM3
and
TM4
current
values,
and
feed
back
resistance
of
pin
47.
Track
jump
max.
voltage
=
TM3
(TM4)
current
x
feedback
resistance
PHASE
COMPENSATION
0.033UF
FWD
or
REV
sled
kick
is
carried
out
when
TM5
or
TM6
is
ON,
and
the
peak
voltage
added
to
sled
motor
is
decided
by
TM5
or
TM
current
and
the
feedback
resistance
of
pin
41.
Sled
jump
max.
voltage
=
TM5
(TM6)
current
x
feedback
resistance
Each
SW
current
is
decided
by
the
resistance
connected
to
pin
22
and
23.
When
the
resistance
is
about
150
k
2,
TM3
or
TM4
=
11
pA;
TM5
or
TM6
=
22
pA.
This
current
is
value
is
almost
inversely
proportional
to
the
resistor,variable
within
a
range
of
about
5
to
40
yA
for
TM3.
STOP
is
the
ON/OFF
detection
signal
for
the
limit
SW
or
the
sled
motor's
innermost
circumference.

Related product manuals