EasyManua.ls Logo

Samsung MAX-485 - Page 60

Samsung MAX-485
69 pages
Print Icon
To Next Page IconTo Next Page
To Next Page IconTo Next Page
To Previous Page IconTo Previous Page
To Previous Page IconTo Previous Page
Loading...
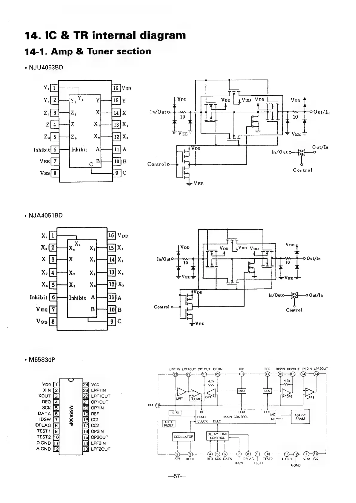
14.
IC
&
TR
internal
diagram
14-1.
Amp
&
Tuner
section
*
NJU4053BD
In/Out
»
NJA4051BD
In/Out
Control
o
*
M65830P
LPFIIN
LPFIOUT
OPIOUT
OPIIN
=
VEE-
{PP
Control
a
a-
VEE
Control
pepe
Out/In
Control
Ags
CC2
OP2IN
OP2ZOUT
LPF2IN
LPF2OUT
-{9—69
Voo
[1]
Vec
XIN
[2
LPF
VIN
cS
XOUT
LPFIOUT
LPF2
REQ
[4]
OP10UT
SCK
z=
OPIIN
ret
DaTA
[6]
&
REF
ol
BO
RESET
MAIN
CONTROL
IDSW
3
cc}
CLOCK
ODELC
IOFLAG
[gs]
7
cc2
TEST1
[9]
OP2IN
TEST2
[1g
5]
OP20UT
ee
D-GND
LPF2IN
|
A-GND
LPF20UT
;
—O@—O
=o)
0-8
@-@
IN
XQUT
REQ
SCK
DATA
|
IDFLAG
|
TEST2
O-GND
vpo
Vcc
iDSW
TEST
AGND

Related product manuals