EasyManua.ls Logo

Samsung MAX-485 - Page 63

Samsung MAX-485
69 pages
Print Icon
To Next Page IconTo Next Page
To Next Page IconTo Next Page
To Previous Page IconTo Previous Page
To Previous Page IconTo Previous Page
Loading...
*
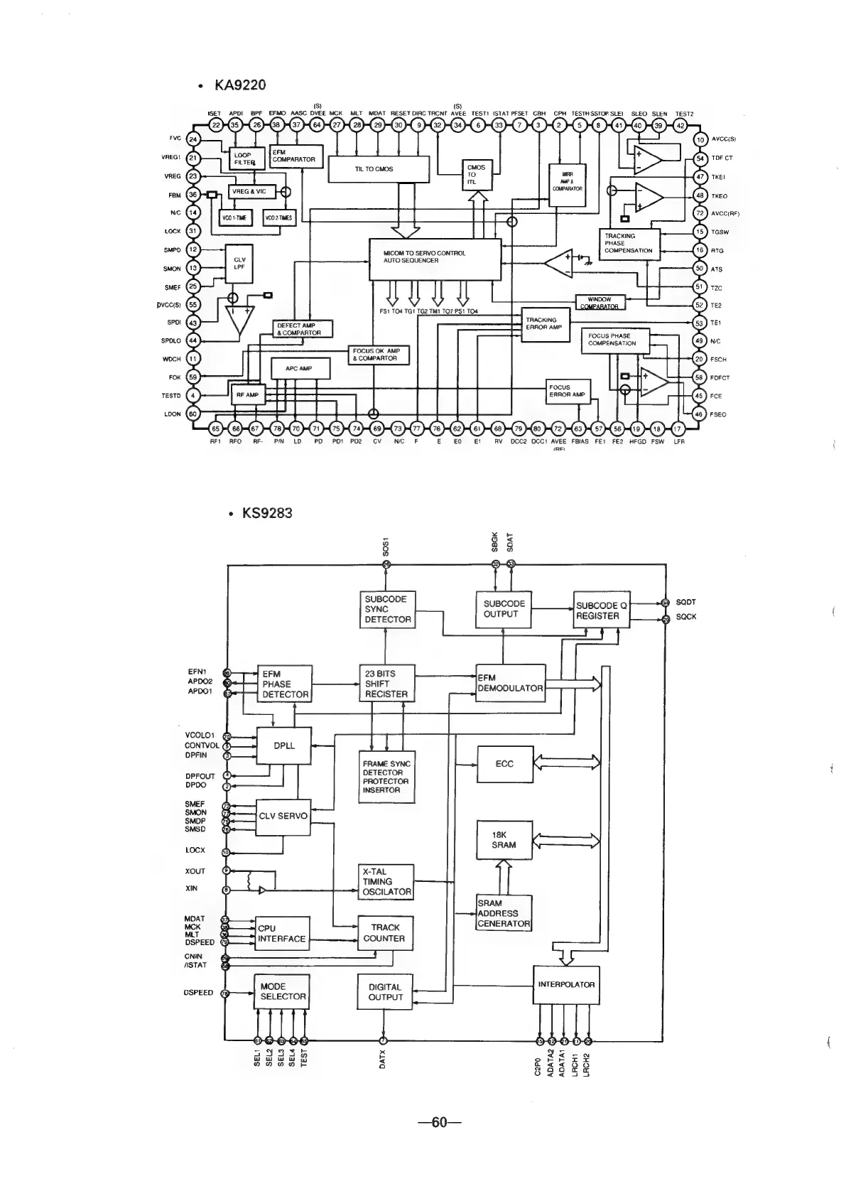
KA9220
(S}
(S)
(SET
APDI
BPF
EFMO
AASC
DVEE
MCK
MLT
MDAT
RESET
DIRC
TACNT
AVEE
TEST!
ISTATPFSET
CBH CPH
TESTHSSTOPSLEI
SLEO
SLEN
TEST2
TRACKING
PHASE
COMPENSATION
MICOM
TO
SERVO
CONTROL
AUTO
SEQUENCER
|}
TRACKING
]
ERROR
AMP
=
*
KS9283
SBGK
)
SDAT
8
¢
SUBCODE
SYNC
DETECTOR
a
SUBCODE
SUBCODE
Q
©
EFNI
-—-——S
APDO2
<2
PHASE
SHIFT
DEMODULATOR
ee
Reg
aes
Tot
|
VCOLo1
a
CONTVOL
&——»]
PLL
ae
OPFIN
G+
DETECTOR
DPFOUT
PROTECTOR
INSERTOR
SMEF
SMON
SMDP
SMSD
Locx
XOUT
ACTAL
TIMING
OSCILATOR
SRAM
ADDRESS
CENERATOR
DIGITAL
DSPEED
@9
OUTPUT
©
x
e
<
ta)
ADATA1
@&
ons

Related product manuals