EasyManua.ls Logo

Samsung MAX-555 - Page 38

Samsung MAX-555
55 pages
Print Icon
To Next Page IconTo Next Page
To Next Page IconTo Next Page
To Previous Page IconTo Previous Page
To Previous Page IconTo Previous Page
Loading...
3-2.
CD
section
1)
RF
Amp(KA9220)
:
WICO01
RE
I-V
Amp(1)
and
RF
1-V
Amp
(2)
are
converted
to
voltage
via
internal
resistance
of
58kQ
from
the
current
of
PD1(A+C)
and
PD2
(B+D)
;
then,
this
voltage
is
added
to
RF
summing
amplifier.
The
signal
(A+B+C+D)
is
applied
to
RFO
(No.2
terminal).
RF
output
voltage
can
be
calculated
as
follows:
VRF
=
-R3
x
(iPD1
+
iPD2)
=-R3
x
(V1/R1
+
V2/R2)
=-R3
x
(V1/10K
+
V2/10K)
=-R3/10K
x
(V1
+
V2)
FOCUS
ERROR
Amp
is
the
circuit
which
amplifies
the
difference
between
RF
I-V
Amp(1)
output(A+C)
and
RF
I-V
Amp(2)
output
(B+D).
These
two
signals
are
supplied
to
(-)
and
(+)
input
terminals
of
FOCUS
ERROR
Amp.
The
FOCUS
ERROR
signal
resulting
from
this
difference
voltage
is
applied
to
FE
(Terminal
No.
57).
The
FE
output
voltage
of
this
low
frequency
component
varies
depending
on
{
(A+C)
-
(B+D)
}.
VFE
can
be
obtained
as
follows.
VFE
=
(R2/R1)
x
(V2-V1)
=
5.4(V2-V1)
FE
Bee
This
FOCUS
ERROR
voltage
is
sent
to
FOCUS
SERVO
Veec
=
»
GND
circuit
to
maintain
optimum
focusing.
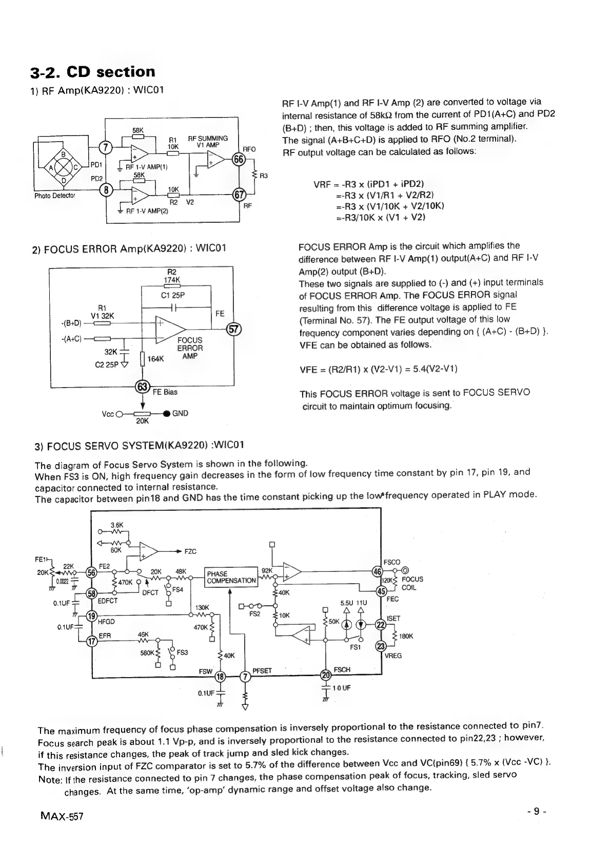
3)
FOCUS
SERVO
SYSTEM(KA9220)
:WICO1
The
diagram
of
Focus
Servo
System
is
shown
in
the
following.
When
FS3
is
ON,
high
frequency
gain
decreases
in
the
form
of
low
frequency
time
constant
by
pin
17,
pin
19,
and
capacitor
connected
to
internal
resistance.
The
capacitor
between
pin18
and
GND
has
the
time
constant
picking
up
the
low*frequency
operated
in
PLAY
mode.
The
maximum
frequency
of
focus
phase
compensation
is
inversely
proportional
to
the
resistance
connected
to
pin7.
Focus
search
peak
is
about
1.1
Vp-p,
and
is
inversely
proportional
to
the
resistance
connected
to
pin22,23
;
however,
if
this
resistance
changes,
the
peak
of
track
jump
and
sled
kick
changes.
The
inversion
input
of
FZC
comparator
is
set
to
5.7%
of
the
difference
between
Vcc
and
VC(pin69)
{
5.7%
x
(Vcc
-VC)
}.
Note:
If
the
resistance
connected
to
pin
7
changes,
the
phase
compensation
peak
of
focus,
tracking,
sled
servo
changes.
At
the
same
time,
‘op-amp’
dynamic
range
and
offset
voltage
also
change.
MAX-557
-9-