EasyManua.ls Logo

Samsung MAX-852P - Page 80

Samsung MAX-852P
100 pages
Print Icon
To Next Page IconTo Next Page
To Next Page IconTo Next Page
To Previous Page IconTo Previous Page
To Previous Page IconTo Previous Page
Loading...
9-11Samsung Electronics
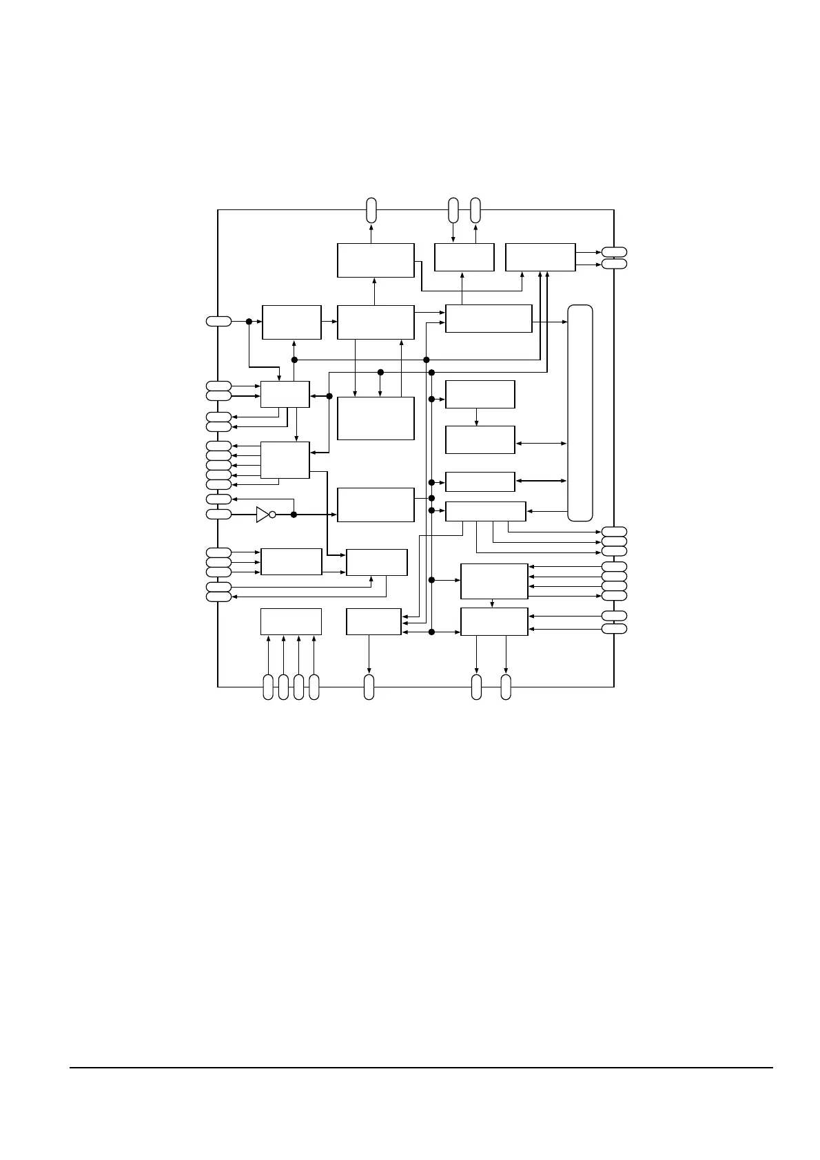
Block Diagrams
26
32
33
30
11
12
14
77
67
80
24
17
22
37
38
36
69
68
8
9
72
73
75
76
70
4
2
5
3
66
19
20
7
29
65
63
62
61
EFMI
CNTVOL
DPFIN
DPFOUT
DPDO
SMEF
SMON
SMDP
SMSD
LOCK
XOUT
XIN
MDAT
MCK
MLT
TRCNT
/ISTAT
LRCHO
ADATAO
BCKO
BCKI
ADATAI
LRCHI
EMPH
VREFL1
VREFH1
XTALSEL
TESTO
CDROM
TEST1
DATX
RCHOUT
LCHOUT
S0S1
SBCK
SDAT
SUBCODE
SYNC
DETECTOR
SUBCODE
OUTPUT
SUBCODE-Q
REGISTER
EFM
PHASE
DETECTOR
FRAME SYNC
DETECTOR
PROTECTOR
INSERTOR
EFM
DEMODULATOR
SQDT
SQCK
DIGITAL
PLL
DIGITAL
CLV
SERVO
23BIT
SHIFT
REGISTER
X-TAL
TIMING
GENERATOR
CPU
INTERFACE
TRACK
COUNTER
MODE
SELECTOR
DIGITAL
OUTPUT
ADDRESS
GENERATOR
16K
SRAM
ECC
INTERPOLATOR
DIGITAL
FILTER
& DE-EMPH
D/A
CONVERTER
8BIT DATA BUS
KS9286 : NIC9286

Related product manuals