EasyManua.ls Logo

Samsung MAX-888

Samsung MAX-888
92 pages
To Next Page IconTo Next Page
To Next Page IconTo Next Page
To Previous Page IconTo Previous Page
To Previous Page IconTo Previous Page
Loading...
Samsung Electronics9-8
Block Diagrams
TR1 TR2
R2
TR3 TR4
TR5
TR5
R3
O1 R8
R10 R20
R18
R17
R13
TR19
TR17
R7
R6
R5
R4
R9
R14
R12
R19
TR9
TR11
TR21
TR14 TR13
TR51
TR42
SUB
TR51
R51
Comparator
Comparator
R51
R42
R45
R44
R43
D53
D51 D52
R58
R58 R59
R59
D53
TR18
TR20
TR16 TR15
O5
R15
R16
O3O2
TR22TR10
TR12 TR24
C4
C3
TR23
TR8
O4
C2
TR7
R31
C1
18
19
20
12 13 16 10 14 15 11 9
6
7
4
5
2
3
1
212217
8
S. W.
Cont.
21
MSOUT
201918171615141312
PB A/B
111098765
BIAS 1
DET(R)
RECOUT(R)
EQOUT(R)
EQIN(R)
PBOUT(R)
RIN(R)
33k
0.1µ
+
+
43
ABO(R)
0.0047µ
2
AIN(R)
1
222324252627282930313233343536373839404142
V
EE
V
CC
V
CC
V
EE
BIAS
V
CC
V
EE
BIN(R)
DET(L)
RIN(L)
BIN(L)
ABO(L)
AIN(L)
GND
BIAS 2
0.1µ
0.0047µ
22k
+
+
++
+
+
A 120/70
NORM/HIGH
BIAS ON/OFF
NR ON/OFF
RM ON/OFF
B NORM/CROM/METAL
REC/PB/PASS
BIAS(M)
BIAS(C)
BIAS(N)
MSDET
MSIN
MAOUT
MAI
100k
15k
12k
LPF
DOLBY
B-NR
EQ
8.2k
GPCAL
RECCAL
EQOUT(L)
EQIN(L)
RECOUT(L)
PBOUT(L)
0.33µ
1000 p
BIAS
SW
MS
DET
300k
LM ON/OFF
15k
12k
EQ
DOLBY
B-NR
+
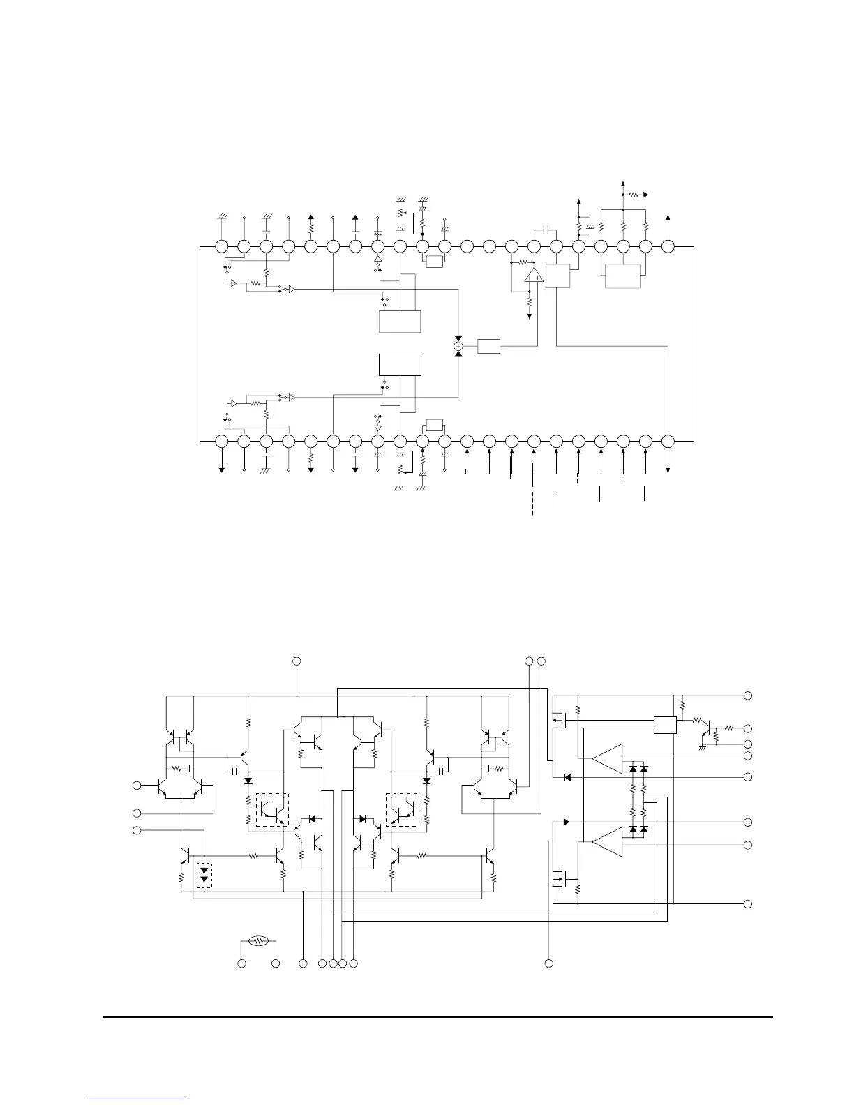
HA12203/HA12204 : JIC3
STK417-090: AIC1

Related product manuals