EasyManua.ls Logo

Samsung MH035FAEA - Outdoor Unit Wiring

Samsung MH035FAEA
204 pages
Print Icon
To Next Page IconTo Next Page
To Next Page IconTo Next Page
To Previous Page IconTo Previous Page
To Previous Page IconTo Previous Page
Loading...
7-12 Samsung Electronics
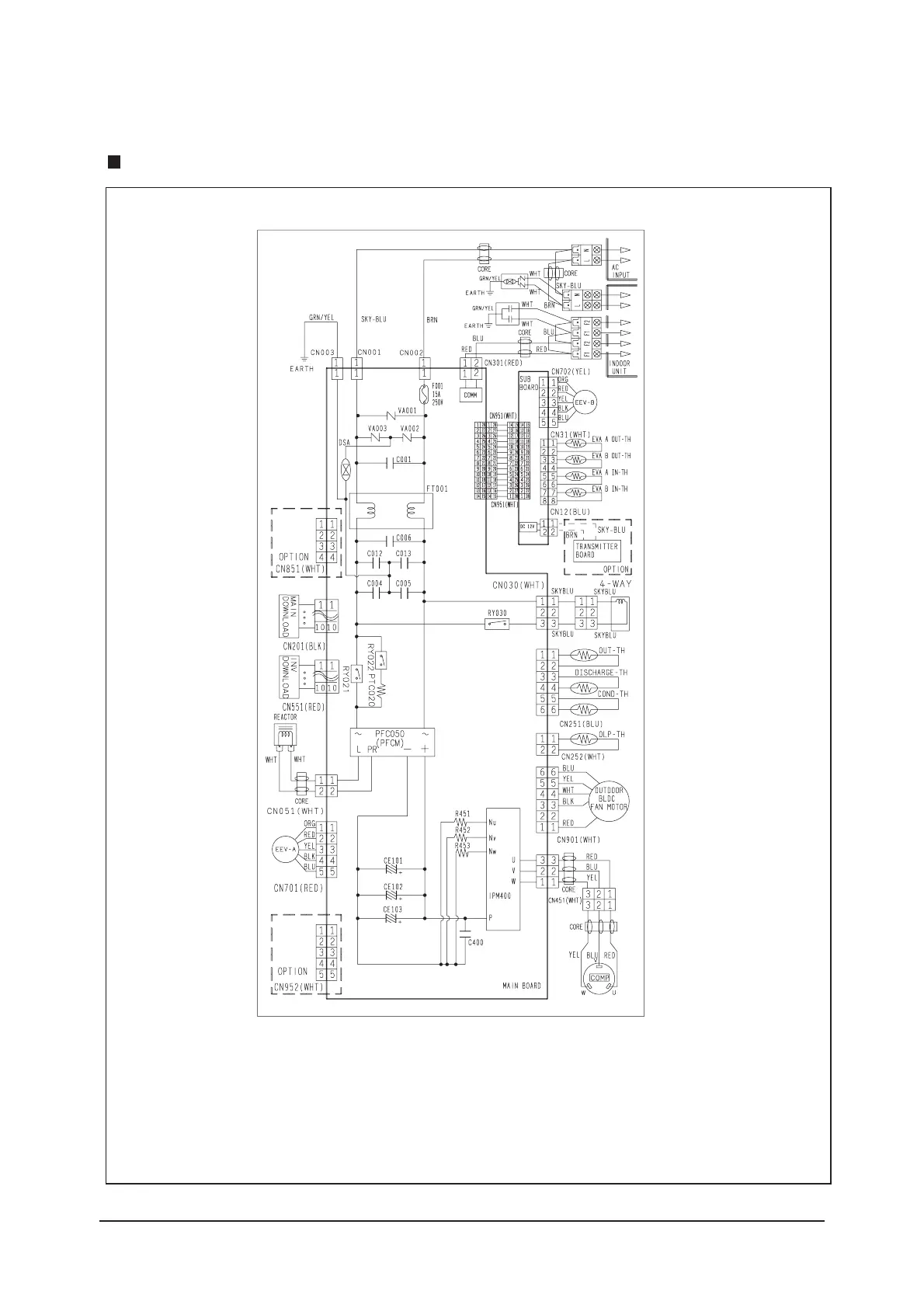
7-2. OUTDOOR UNIT
This Document can not be used without Samsung's authorization.
RJ040F2HXEA/RJ050F2HXEA

Related product manuals