EasyManua.ls Logo

Samsung MM-B9 - Technical Specifications; Radio Technical Specifications; Compact Disc Player Specifications; Tape Deck Technical Specifications

Samsung MM-B9
28 pages
To Next Page IconTo Next Page
To Next Page IconTo Next Page
To Previous Page IconTo Previous Page
To Previous Page IconTo Previous Page
Loading...
Samsung Electronics 7-1
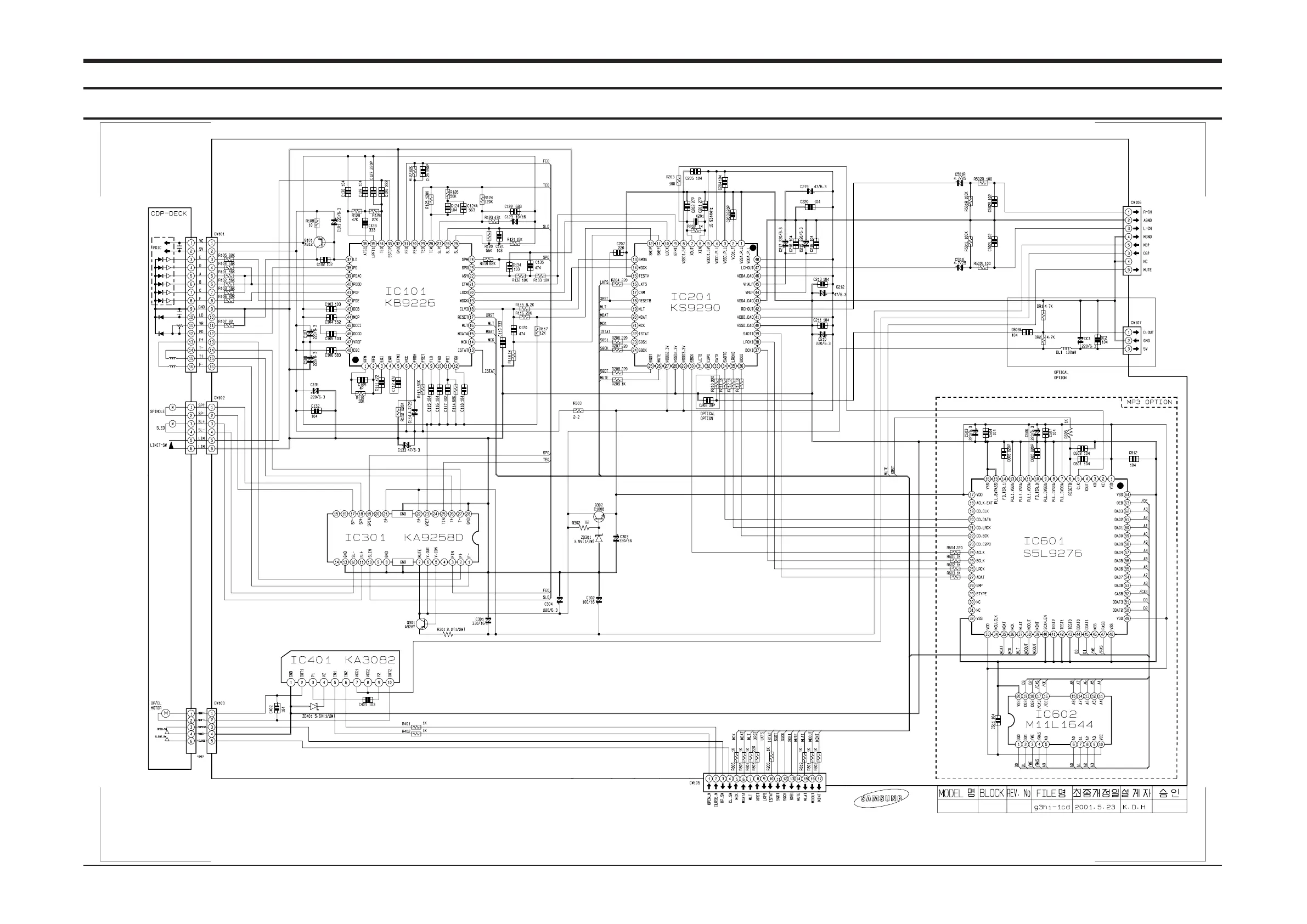
7. Schematic Diagram
7-1 CD/MP3 Part

Other manuals for Samsung MM-B9

Related product manuals