EasyManua.ls Logo

Samsung RF195ABWP - Wiring Diagram; Refrigerator Wiring Diagram

Samsung RF195ABWP
97 pages
Print Icon
To Next Page IconTo Next Page
To Next Page IconTo Next Page
To Previous Page IconTo Previous Page
To Previous Page IconTo Previous Page
Loading...
94
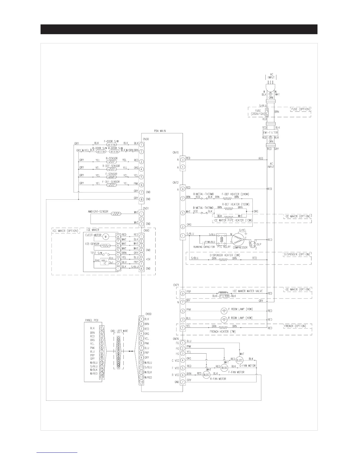
7. Wiring Diagram

Table of Contents

Related product manuals