EasyManua.ls Logo

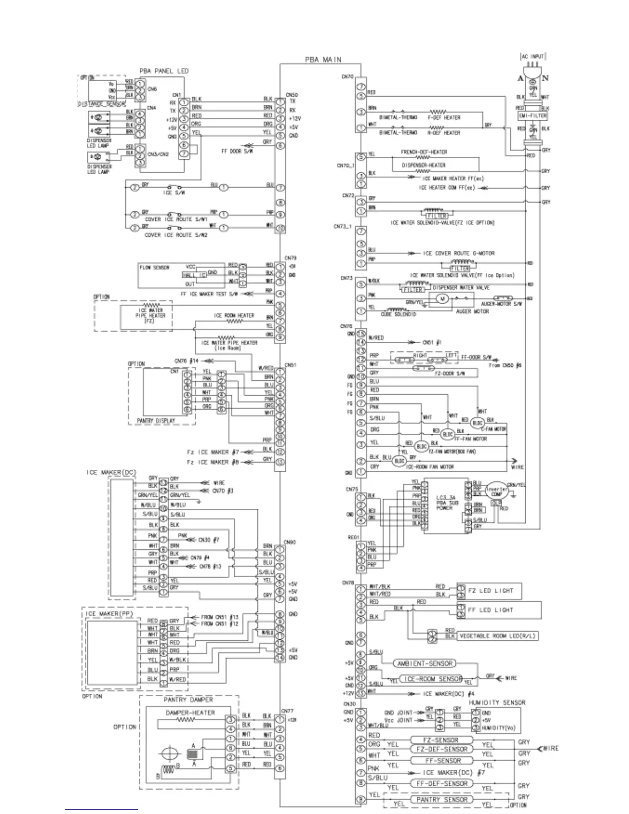
Samsung RF261BEA - Main Board Wiring Diagram; Panel LED and Main Board Connections; AC Load and Heater Wiring; Motor and Sensor Wiring

Samsung RF261BEA
9 pages
Print Icon
To Next Page IconTo Next Page
To Next Page IconTo Next Page
To Previous Page IconTo Previous Page
To Previous Page IconTo Previous Page
Loading...
Model : RF260B*,RF261B*

Related product manuals