EasyManua.ls Logo

Samsung RS263BBWP - Page 80

Samsung RS263BBWP
102 pages
Print Icon
To Next Page IconTo Next Page
To Next Page IconTo Next Page
To Previous Page IconTo Previous Page
To Previous Page IconTo Previous Page
Loading...
81
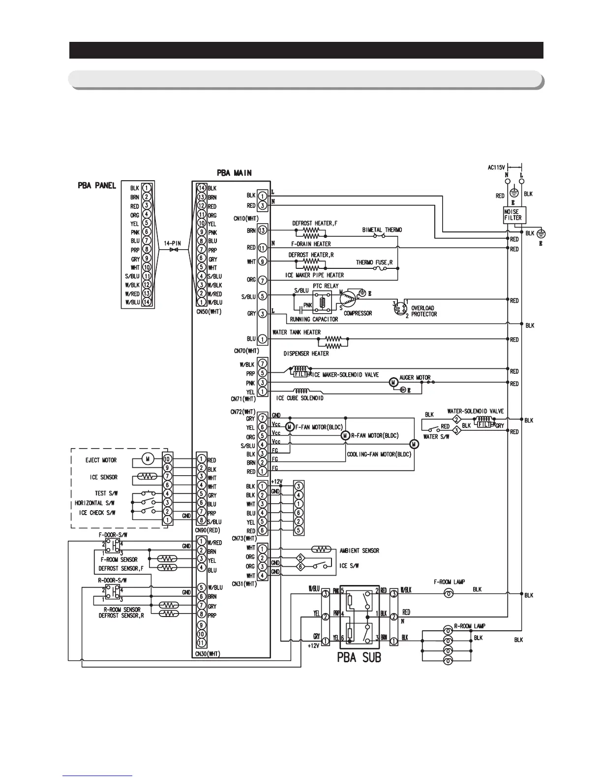
9 . WIRING DIAGRAM
9-2) RS263BB, RS265LB

Table of Contents

Related product manuals