EasyManua.ls Logo

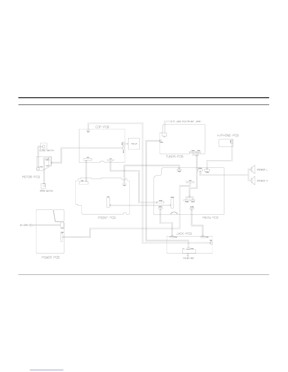
Samsung S2000 - Wiring Diagram

Samsung S2000
20 pages
Print Icon
To Next Page IconTo Next Page
To Next Page IconTo Next Page
To Previous Page IconTo Previous Page
To Previous Page IconTo Previous Page
Loading...
Samsung Electronics 7-1
7. Wiring Diagram