EasyManua.ls Logo

Samsung SCL500 - CVF

Samsung SCL500
147 pages
Print Icon
To Next Page IconTo Next Page
To Next Page IconTo Next Page
To Previous Page IconTo Previous Page
To Previous Page IconTo Previous Page
Loading...
9-12 Samsung Electronics
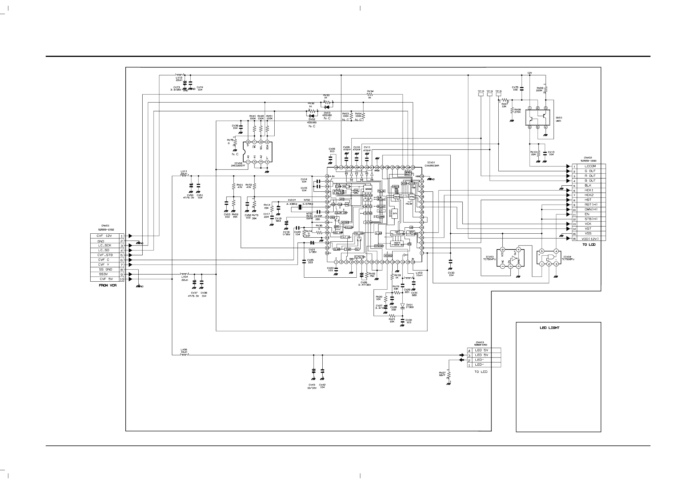
Schematic Diagrams
9-9 CVF

Related product manuals