EasyManua.ls Logo

Samsung SGH-P310 - Page 41

Samsung SGH-P310
69 pages
Print Icon
To Next Page IconTo Next Page
To Next Page IconTo Next Page
To Previous Page IconTo Previous Page
To Previous Page IconTo Previous Page
Loading...
SAMSUNG Proprietary-Contents may change without notice
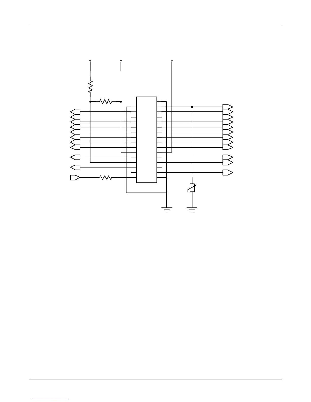
Flow Chart of Troubleshooting and Circuit Diagrams
9-5
This Document can not be used without Samsung's authorization
6
6
7
78
8
9
9
27
2728
28
29
29
3
3
30
30
31
31
4
4
5
5
2
2
20
20
21
21
22
22
23
2324
24
25
2526
26
12
12
13
13
14
14
15
1516
16
17
17
18
18
19
19
HDC401
1
1
10
10
11
11
VCCD
R440
VCCDVCCD_1.8
R441
R437
V400
LCD(2)
LCD(0)
MLCD_CS
LCD_VSYNC
LED-
LED+
LCD(3)
LCD(5)
LCD(7)
L_ADS
LCD(13)
LCD(11)
LCD(9)
LCD(15) LCD(14)
LCD(12)
LCD(10)
LCD(8)
LCD_WEN
FLASH_RESET
LCD(6)
LCD(4)
LCD(1)