EasyManua.ls Logo

Samsung SGH-P310 - Page 46

Samsung SGH-P310
69 pages
Print Icon
To Next Page IconTo Next Page
To Next Page IconTo Next Page
To Previous Page IconTo Previous Page
To Previous Page IconTo Previous Page
Loading...
SAMSUNG Proprietary-Contents may change without notice
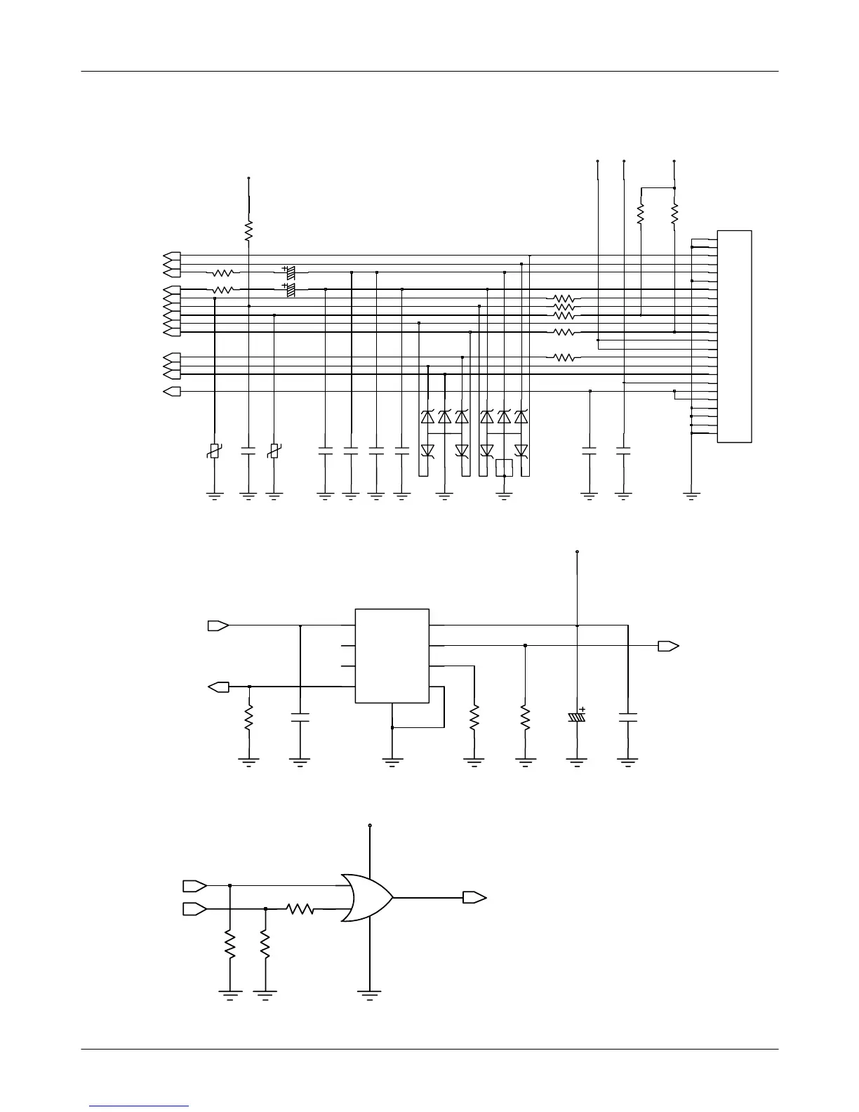
Flow Chart of Troubleshooting and Circuit Diagrams
9-10
This Document can not be used without Samsung's authorization
C437
R430
3
4
_EN
2
_PPR
U406
8
BAT
GND
5
9
GND
6
IMIN
IREF
7
VIN
1
_CHG
R432
VBAT
C438
C439
R431
CHG_OFF
TA_VEXT
ICHRG
R433
VBAT
R434
R435
1
GND
3
VCC
5
Y
4
TR400
A
2
B
TA_VEXT
JIG_ON_IF
JIG_ON
3.8V
3
0
4
V
ZD402
1
2
3
4
5
6
7
8
5
2
4
C
R414
VCCD_1.8
1
3
4
C
R411
R417
R416
R410
VCCD_1.8
R412
VBAT
0
3
4
C
4
5
6
ZD401
1
2
3
C423
C419
C418
C424
9
2
4
C
USB_5V
1
0
4
V
NC
22
NC
23
24
NC
20
20
3
3
4
4
5
5
6
6
7
7
8
8
9
9
21
NC
13
13
14
14
15
15
16
16
17
17
18
18
19
19
2
2
IFC400
1
1
10
10
11
11
12
12
6
2
4
C
R404R403
R408
R413
TA_VEXT
EAR_SWITCH
JACK_INT
EAR_CHECK
AUXIOP
USB_D+
ROUT
LOUT
TV_OR_SDS
SDS_RXD
JIG_ON_IF
AUXION
USB_D-

Other manuals for Samsung SGH-P310

Related product manuals