EasyManua.ls Logo

Sanden GAU-A45HPC - Introduction; How It Works

Sanden GAU-A45HPC
20 pages
Print Icon
To Next Page IconTo Next Page
To Next Page IconTo Next Page
To Previous Page IconTo Previous Page
To Previous Page IconTo Previous Page
Loading...
Sanden Heat Pump – Owner’s Manual
Page 3 of 20
Introduction
The Sanden Heat Pump Water Heater System has been designed using the latest
refrigeration technology to remove the heat from the air to heat water. The refrigerant we
use is CO
2
which does not contribute to global warming so it allows us to help keep a clean
healthy earth for future generations.
We have also considered the power requirement. By using CO
2
as the refrigerant we have
produced one of the most energy efficient units currently available. It’s even more efficient
when connected to off-peak power
and the noise level is so low it will operate
unobtrusively throughout the night.
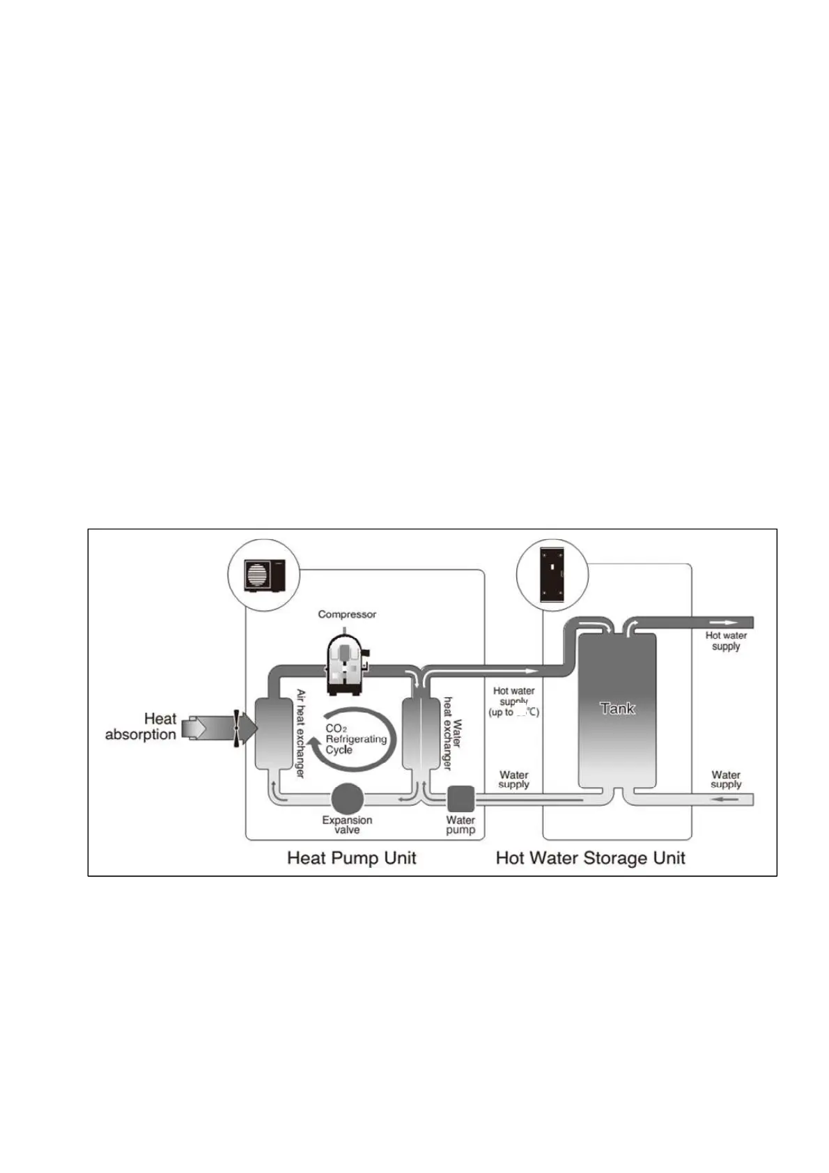
How it works
The Heat Pump Water Heater System heats water by transferring the heat from the
surrounding air to the water using a refrigerant. The refrigerant is heated by a heat
exchanger that absorbs heat from the surrounding air (Figure 1).
Figure 1: Heat Pump Water Heater System
Note: Operating conditions may vary depending on the type of off-peak tariff that is
available in your area. The unit must have a minimum of 5 hours continuous power
available at all time to allow the unit to operate without affecting reliability.
63

Other manuals for Sanden GAU-A45HPC

Related product manuals