EasyManua.ls Logo

Sansui HDLCDVD328 - Connecting External Devices; Connecting to VCR and DVD Player; Connecting to Camcorders and Game Consoles

Sansui HDLCDVD328
39 pages
Print Icon
To Next Page IconTo Next Page
To Next Page IconTo Next Page
To Previous Page IconTo Previous Page
To Previous Page IconTo Previous Page
Loading...
32
or
To VIDEO/AUDIO IN
Y
P
b
Pr
To Component OUT
Audio cord (not supplied)
To AUDIO IN
To COMPONENT IN
To Audio OUT
DVD
To Audio/Video OUT
To VIDEO/AUDIO IN
VCR
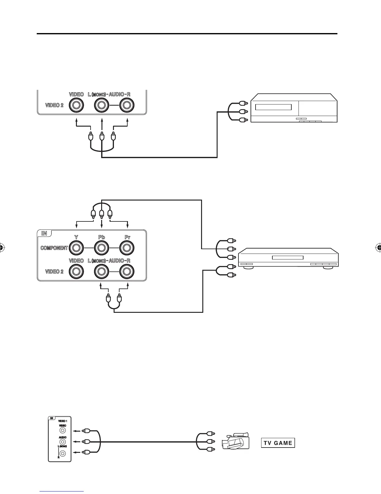
The exact arrangement you use to interconnect various video and audio components to this unit is dependent
on the model and features of each component. Check the Owner’s Manual provided with each component for
the location of video and audio inputs and outputs.
To connect the LCD TV/DVD to a VCR
Connections to other equipment
To connect the LCD TV/DVD to a DVD player with Component Video Input
You can enjoy a high quality picture by connecting the unit’s COMPONENT VIDEO OUT jacks of your DVD
player with the COMPONENT video cables (not supplied).
Rear of the unit
Audio/Video cord (not supplied)
Rear of the unit
NOTE:
Component Video input of the unit are for use with a device which output 480i/1080i interlaced signals and
480p/720p progressive signals.
To connect the LCD TV/DVD to a camcorder, or a TV Game
To playback from a camcorder, connect the camcorder to the unit as shown.
This unit can also be used as a display device for many video games. However, due to the wide variety of
signals generated by these devices and subsequent hook-up variations required, they have not all been
included in the suggested connection diagrams. You’ll need to consult each component’s Owner’s Manual for
additional information.
Left of the unit
Audio/Video cord (not supplied)
To Audio/Video OUT
56Q0121A_eng.indd 3256Q0121A_eng.indd 32 2/7/11 10:06:19 AM2/7/11 10:06:19 AM

Related product manuals