EasyManua.ls Logo

Sansui MR-6 - Page 3

Sansui MR-6
12 pages
Print Icon
To Next Page IconTo Next Page
To Next Page IconTo Next Page
To Previous Page IconTo Previous Page
To Previous Page IconTo Previous Page
Loading...
Connection
Connection
precautions
Rack-mount
installation
*
When
connecting,
either
disconnect
the
power
plug
from
the
This
unit
can
be
mounted
in
an
ElA-standard
19-inch
rack
by
means
of
power
outlet
or
turn
off
the
unit's
power
using
the
POWER
the
rack-mount
angle
brackets
provided
on
the
two
sides.
For
rack
_
switch.
mounting,
remove
the
four
feet
from
the
bottom
of
this unit
and
mount
using
screws
and
washers.
*
Insert
the
plugs
securely.
Improper
connection
can
lead
to
the
generation
of
noise.
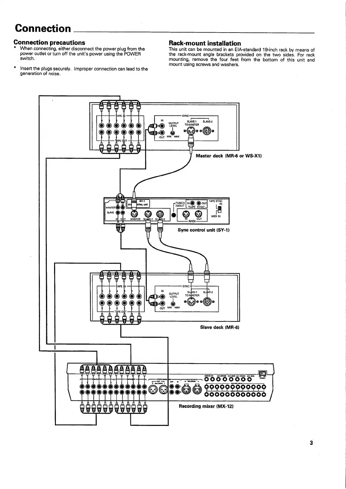
Master
deck
(MR-6
or
WS-X1)
=
=
TAPE
SYNC
PUNCH]
IN@
©@©
ou
IN
[eet
TAPE
SYNC
Le
e
GD
|
scl
Syne
control
unit
(SY-1)
Slave
deck
(MR-6)
|
Gabbana
nt
|
—_sessess
Fy
—rmormbe——greerg
QOOOOOOO
rat
\
FA
©
000000600000
ne
600000000000
Recording
mixer
(MX-12)
:
3