EasyManua.ls Logo

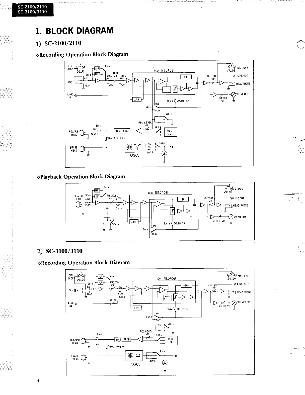
Sansui SC-3110 - BLOCK DIAGRAM; Recording Operation Block Diagram (SC-2100;2110); Playback Operation Block Diagram (SC-2100;2110); Recording Operation Block Diagram (SC-3100;3110)

Sansui SC-3110
16 pages
Print Icon
To Next Page IconTo Next Page
To Next Page IconTo Next Page
To Previous Page IconTo Previous Page
To Previous Page IconTo Previous Page
Loading...

Related product manuals