EasyManua.ls Logo

Sanyo C14EA80 - Block Diagram

Sanyo C14EA80
28 pages
Print Icon
To Next Page IconTo Next Page
To Next Page IconTo Next Page
To Previous Page IconTo Previous Page
To Previous Page IconTo Previous Page
Loading...
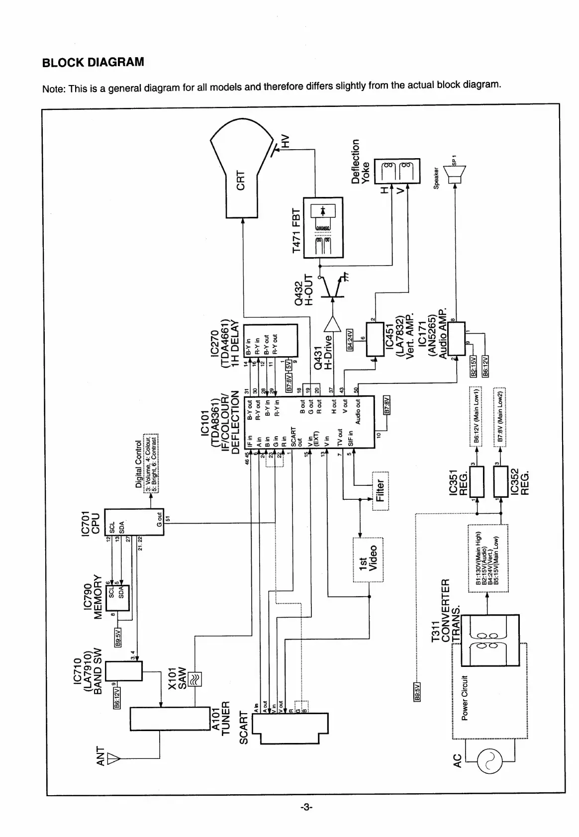
BLOCK
DIAGRAM
Note:
This
is
a
general
diagram
for
all
models
and
therefore
differs
slightly
from
the
actual
block
diagram.
Ud!9}}9q
iL
fd
AS1¢d
J
|
‘dWV
olpny
(SOZSNV)
LZLOI
‘dWNV
“HEA
(ZesZV1)
LSvOl
AV140
HI
(L99PpVGL)
02201
NOILO31435q0
/HNO109/AI
(L9E8VGL)
ariites
abi
tale
=
ee
70S
NdO
LOZOl
i
(BIH
UEW)AOEL:1a
(mo
weN)AG
Ica
(uan)Ape:ra
{
(opny)ASi:zaE
NDID
JOMOdg
Verccccccccenennccnessaasscnessensusccssncevecusnscescene
Y>ALYSAANOO
LhEL
YANNL
LOLV
vas
eC
[As'6e)
{{her9al
AHOWSW
MS
GNVd
06201
(01621)
OLZOl
/I\
INV
-3-

Related product manuals