EasyManua.ls Logo

Sanyo MR-939 - Page 13

Sanyo MR-939
19 pages
Print Icon
To Next Page IconTo Next Page
To Next Page IconTo Next Page
To Previous Page IconTo Previous Page
To Previous Page IconTo Previous Page
Loading...
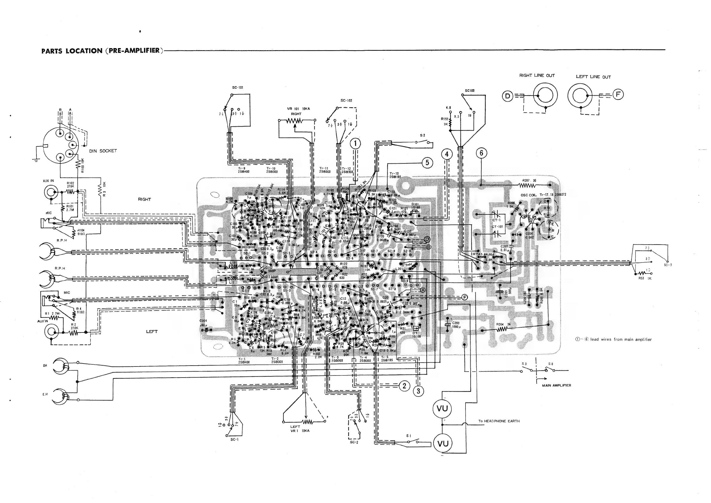
PARTS
LOCATION
(PRE-AMPLIFIER
)
RIGHT
LINE
OUT
LEFT
LINE
OUT
VR
101
RIGHT
10KA
——
—!
in
DIN
SOCKET
R103
10K
R207.
30
OSC
COIL
Tr-17,
Tr-4
!
2SB400
EH
MAIN
AMPLIFIER
as
To
HEADPHONE
EARTH
LEFT
VR1
10KA
SC-1
@~(®
lead
wires
from
main
amplifier