EasyManua.ls Logo

Sanyo TRC-7600 - Page 5

Sanyo TRC-7600
18 pages
To Next Page IconTo Next Page
To Next Page IconTo Next Page
To Previous Page IconTo Previous Page
To Previous Page IconTo Previous Page
Loading...
w
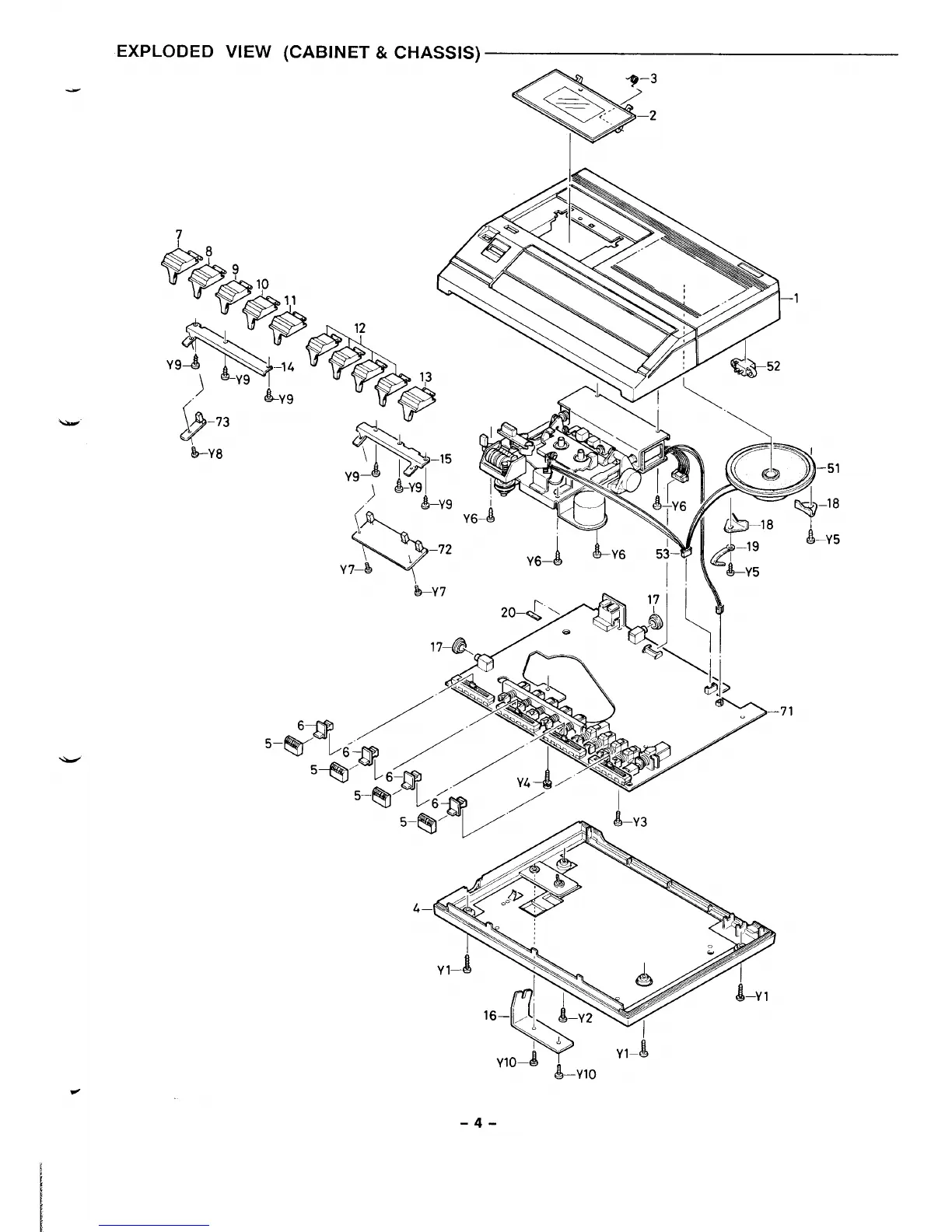
EXPLODED VIEW (CABINET & CHASSIS)
-51
-18
-Y5
-4-

Related product manuals