EasyManua.ls Logo

Sase SC8E - SC8 E Scarifier Electrical Wiring Diagrams; 110 Volt Single Phase Wiring Diagram

Default Icon
50 pages
Print Icon
To Next Page IconTo Next Page
To Next Page IconTo Next Page
To Previous Page IconTo Previous Page
To Previous Page IconTo Previous Page
Loading...
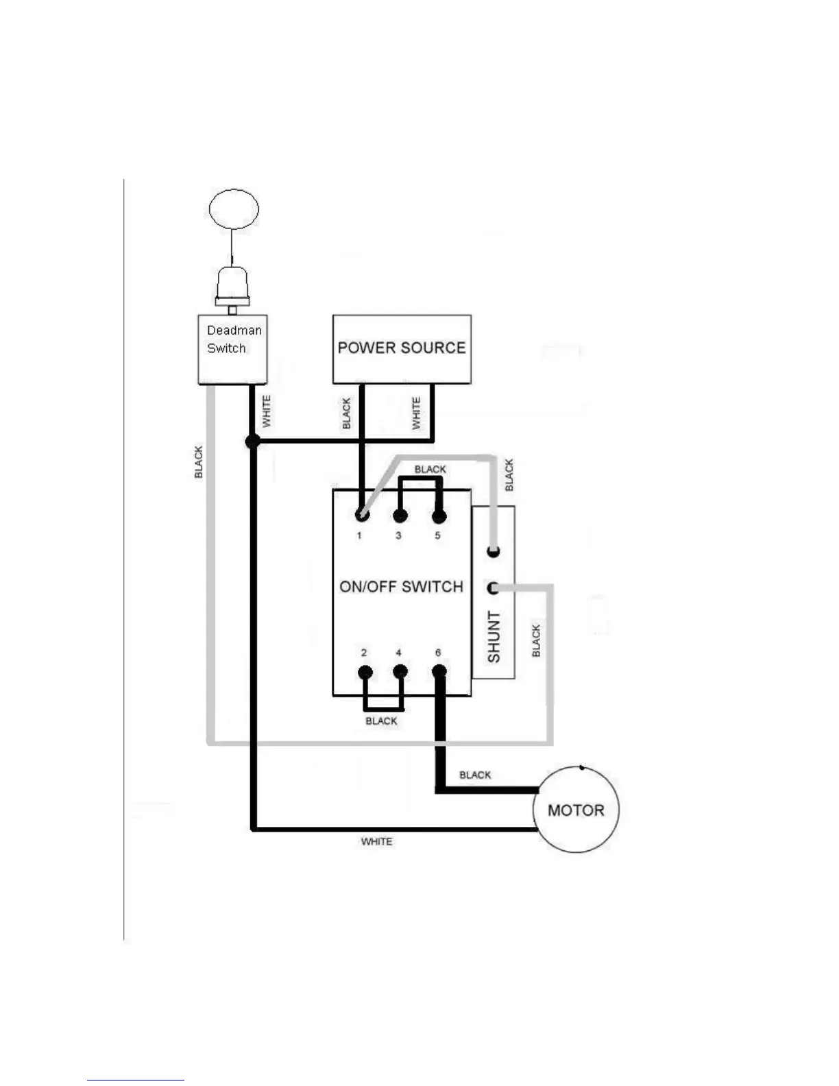
SC8E 110 VOLT SINGLE PHASE
SWITCH AND SHUNT WIRING DIAGRAM
AMP SETTING: 22
SASE Company Inc.
Scarifier SC8E User Manual
SASE Company, Inc © 2006 All Rights Reserved
47

Related product manuals